Для студентов МГТУ им. Н.Э.Баумана по предмету Основы конструирования приборов (ОКП)Исполнительный привод (Mс=370)Исполнительный привод (Mс=370)
5,0053
2021-06-032025-02-16СтудИзба
Курсовая работа: Исполнительный привод (Mс=370) вариант 7
-50%
Описание
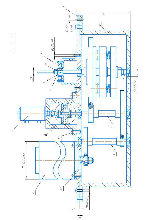
Глава 2 Условие Тема проекта: исполнительный привод. Техническое задание: разработать конструкцию исполнительного привода по предложенной схеме (рис. I) в соответствии с данным вариантом.
![]()





Файлы условия, демо
Характеристики курсовой работы
Учебное заведение
Вариант
Просмотров
276
Размер
727,83 Kb
Список файлов
Исполнительный привод (mс=370).pdf

Друзья, спасибо за доверие! Если вам понравилась работа – поставьте 5⭐ и напишите отзыв. Это поможет другим студентам, а мне даст силы делать ещё больше качественных материалов для вас 🔥