Для студентов ТулГУ по предмету Общая электротехникаОбщая электротехникаОбщая электротехника
5,0056027
2025-09-182025-09-18СтудИзба
☀️Общая электротехника | ТулГУ сборник ответов на все тесты☀️
Ответы к заданиям Ответы на тесты: Общая электротехника
-43%
Описание
▶️ Ответы на все тесты (жми на текст) 😎 ◀️
▶️ Готовые лабораторные работы, практические задания, услуги (жми на текст)🔥◀️
Ответы к дисциплине Общая электротехника для ТулГУ, помогут при сдаче экзамена/итоговой аттестации или зачёта :)
Для поиска нужного вопроса, воспользуйтесь поиском ниже
‼️ Ответы могут подойти к другим похожим дисциплинам, проверяйте по вопросам‼️Показать/скрыть дополнительное описание
▶️ Готовые лабораторные работы, практические задания, услуги (жми на текст)🔥◀️
Ответы к дисциплине Общая электротехника для ТулГУ, помогут при сдаче экзамена/итоговой аттестации или зачёта :)
Для поиска нужного вопроса, воспользуйтесь поиском ниже
‼️ Ответы могут подойти к другим похожим дисциплинам, проверяйте по вопросам‼️Показать/скрыть дополнительное описание
Общая электротехника ТулГУ ответы на тест зачёт экзамен итоговая аттестация.
Список вопросов
Какой способ регулирования асинхронного двигателя не может быть использован в короткозамкнутом двигателе?
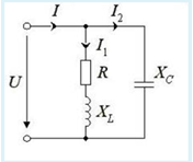
Определите ток I2, если задано R=6Ом, Xl=Ом, Xc=1Ом, I=1А
![]()

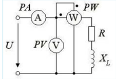
Определите Xl, если приборы показывают Ia=10А, Р=600Вт, U=100В
![]()

Напишите выражение для тока в цепи u = 100sin(wt), R = 20 Ом
Найти неверное утверждение относительно магнитного поля ротора асинхронного двигателя
Найдите неверное соотношение:
Может ли ток в нулевом проводе четырехпроводной цепи, соединенной звездой быть равным нулю?
Лампа накаливания с сопротивлением R= 440 Ом включена в сеть с напряжением U=110 В. Определить силу тока в лампе.
Комплексное сопротивление ZC элементаСс емкостнымсопротивлением XC записывается:
Определить мощность приёмника, если сопротивление равно 100 Ом, а ток приёмника 5 мА.
Какой прибор нельзя подключить к измерительной обмотке трансформатора тока?
Какой параметр надо изменить, чтобы получить семейство механических характеристик асинхронного двигателя
![]()

Какой из линейных токов наибольший?
![]()

Какой вольтметр показывает напряжение смещение нейтрали
![]()

Какое магнитное поле возникает при питании переменным током однофазной обмотки?
Какое из приведённых соотношений электрической цепи синусоидального тока содержит ошибку ?
![]()

Каково соотношение между фазными и линейными напряжениями при соединении потребителей электроэнергии треугольником.
Трансформаторы предназначены для преобразования в цепях переменного тока…
Что такое электрический ток?
Что такое электрическая цепь?
Что такое резистор?
Чему равен ток в нулевом проводе в симметричной трёхфазной цепи при соединении нагрузки в звезду?
Устройство, состоящее из двух проводников любой формы, разделенных диэлектриком
Укажите параметр переменного тока, от которого зависит индуктивное сопротивление катушки.
У силового однофазного трансформатора номинальное напряжение на входе 6000 В, на выходе 100 В. Определить коэффициент трансформации.
Трехфазный трансформатор имеет отношение чисел витков w1/w2=27 и включен всеть слинейным напряжением 6кВ. по какой схеме необходимо соединить обмотки трансформатора для получения вторичного линейного напряжения 220В?
Каково назначение трансформатора? Указать неправильный ответ.
Трансформатор подключен к сети 220В и 50Гц. Определить максимальную индукцию в магнитопроводе, если его сечение 10см2, а число витков первичной обмотки 900.
Трансформатор не предназначен для преобразования…
При неизменном сопротивлении участка цепи при увеличении тока падение напряжения на данном участке…
При каких значениях коэффициента трансформации целесообразно применять автотрансформаторы
Почему в опыте холостого хода трансформатора можно пренебречь потерями в сопротивлении обмоток?
По какой формуле определяется частота вращения ротора асинхронного двигателя?
![]()

От сети с линейным напряжением 220В подается напряжение нагрузке, состоящей из 100 ламп мощностью 150Вт в каждой фазе. Нагрузка соединена треугольником. Определите линейные и фазные токи.
В трёхфазной цепи при соединении по схеме «звезда – звезда с нейтральном проводом» ток в нейтральном проводе определяется по формуле…
Единицей измерения сопротивления участка электрической цепи является…
Для определения всех токов путем непосредственного применения законов Кирхгофа необходимо записать столько уравнений, сколько ______ в схеме.
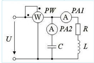
Для данной электрической схемы определить векторную диаграмму, если Xc>Xl
![]()


Действующее значение тока i(t) виндуктивном элементе, при напряжении u(t)=141sin(314t) В и величине L равной 0,318 Гн, составит:
Двигатель работает с нагрузкой при постоянной установившейся скорости. Каково при этом соотношение моментов двигателя Мд и механизма Мм?
Внешняя часть цепи охватывает …
В цепь с напряжением 250 В включили последовательно две лампы, рассчитанные на это же напряжение. Одна лампа мощностью 500 Вт, а другая мощностью 25 Вт. Определите сопротивление цепи.
В трехфазную сеть с линейным напряжением 380 В включают трехфазный двигатель, каждая из обмоток которого рассчитана на 220 В. Как следует соединить обмотки двигателя?
Емкостная проводимость B элемента С рассчитывается как:
В трёхфазной цепи при соединении по схеме «звезда – звезда с нейтральном проводом» при симметричной нагрузке ток в нейтральном проводе равен…
В выражении для мгновенного значения однофазного синусоидального тока
i(t) = Im sin(wt + yi)
i(t) = Im sin(wt + yi)
Паротурбинные электростанции бывают:?
Параметры электрической системы – это:?
Асинхронный двигатель работает на устойчивой части механической характеристики. Что происходит с частотой вращения ротора при увеличении нагрузки на валу?
Асинхронный двигатель включается в сеть. В первом случае в холостую, во втором случае под нагрузкой. Указать правильное соотношение пусковых токов
Алгебраическая сумма ЭДС в контуре равна алгебраической сумме падений напряжения на всех элементах данного контура:
Как изменится показание амперметра при замыкании ключа К?
![]()

Какая формула наиболее полно иллюстрирует возможности регулирования скорости асинхронного двигателя
![]()

Какая точка механической характеристики двигателя соответствует критическому скольжению?
![]()

Какая схема соответствует данной векторной диаграмме
![]()


Какая максимальная скорость вращения магнитного поля статора асинхронного двигателя, включенного в сеть переменного тока промышленной частоты?
Какая векторная диаграмма соответствует данной схеме
![]()


Как увеличить пусковой момент асинхронного двигателя?
Как изменяются показания приборов, если частота питающего напряжения увеличится? Указать неправильный ответ
![]()

Как изменится ток холостого хода трансформатора, если удалить из него сердечник и включить первичную обмотку на номинальное напряжение?
Активную мощность Р цепи синусоидального тока можно определить по формуле…
Как выглядит внешняя характеристика трансформатора
![]()

Измерительный трансформатор тока имеет обмотки с числом витков 2 и 100. Определить его коэффициент трансформации.
Задана цепь с ЭДС Е=60 В, внутренним сопротивлением источника ЭДС r = 5 Ом и сопротивлением нагрузки Rн =25 Ом. Тогда напряжение на нагрузке будет равно…
Если номинальный ток I=100 А, тогда номинальное напряжение U источника напряжения с ЭДС Е=230 В и внутренним сопротивлением r = 0,1 Ом равно…
Если номинальный ток I=100 А, тогда номинальное напряжение U источника напряжения с ЭДС Е=230 В и внутренним сопротивлением r = 0,1 Ом равно…
Если на щитке трёхфазного понижающего трансформатора изображено , то его обмотки соединены по следующей схеме …
Если активная мощность цепи синусоидального тока Р= 120 Вт,а полная мощность S= 200 ВА, то реактивная мощность Q составляет:
Характеристики ответов (шпаргалок) к заданиям
Тип
Коллекция: Ответы (шпаргалки) к заданиям
Предмет
Учебное заведение
Номер задания
Теги
Просмотров
2
Качество
Идеальное компьютерное
Количество вопросов

📚Помощь в сдаче любых видов работ✒️Более 6000 готовых студенческих работ и тестов для НСПК, ОСЭК, НИИДПО, НАДПО и других ВУЗов👨🏫Гарантирую результат или полностью верну деньги!✅💰