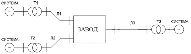
Для студентов по предмету НадёжностьЗавод получает электроэнергию от трех источников питания – трех районных подстанций системыЗавод получает электроэнергию от трех источников питания – трех районных подстанций системы
5,0053223
2025-06-232025-06-23СтудИзба
ДЗ: Завод получает электроэнергию от трех источников питания – трех районных подстанций системы
Описание
Завод получает электроэнергию от трех источников питания – трех районных подстанций системы (рис.2)
Параметры потоков отказов (ω) и преднамеренных отключений (μпр) элементов системы электроснабжения, средние времена восстановления (ТВ) и длительность преднамеренных отключений (Тпр) приведены в таблице 2.
Определить параметр потока отказов системы электроснабжения, среднее время восстановления, а также недоотпуск электроэнергии за год, считая, что средняя годовая мощность завода Р равна 55 МВт.
При расчете принять, что преднамеренные отключения последовательно включенных элементов цепей совмещаются по времени. Надежность источников питания не учитывать.
Параметры потоков отказов (ω) и преднамеренных отключений (μпр) элементов системы электроснабжения, средние времена восстановления (ТВ) и длительность преднамеренных отключений (Тпр) приведены в таблице 2.
Определить параметр потока отказов системы электроснабжения, среднее время восстановления, а также недоотпуск электроэнергии за год, считая, что средняя годовая мощность завода Р равна 55 МВт.
При расчете принять, что преднамеренные отключения последовательно включенных элементов цепей совмещаются по времени. Надежность источников питания не учитывать.

Элемент | Т1, Т2 | Л1, Л2 | В1, В2 | Т3 | Л3 | В3 |
ω, 1/км.год; 1/год | 0,71 | 0,022 | 0,038 | 0,72 | 0,018 | 0,035 |
l, км | 150 | 180 | ||||
ТВ, ч | 60 | 30 | 10 | 60 | 30 | 15 |
µпр, 1/год | 0,33 | 0,3 | 0,4 | 0,3 | 0,3 | 0,4 |
Тпр, ч | 70 | 50 | 60 | 60 | 40 | 80 |
Характеристики домашнего задания
Предмет
Просмотров
2
Качество
Идеальное компьютерное
Размер
55,67 Kb
Список файлов
primer-resheniya (1).docx

Если нужен другой вариант работы или отдельная задача из любой работы, пишите в комментарии