Для студентов по предмету Метрология, стандартизация и сертификация (МСиС)В трехпроводную сеть трехфазного тока включены амперметры на 5 А, вольтметры на 100 В и два однофазных ваттметра на на 5 А и 150 В со шкалой на 150 деВ трехпроводную сеть трехфазного тока включены амперметры на 5 А, вольтметры на 100 В и два однофазных ваттметра на на 5 А и 150 В со шкалой на 150 де
5,00518075
2022-10-032022-10-03СтудИзба
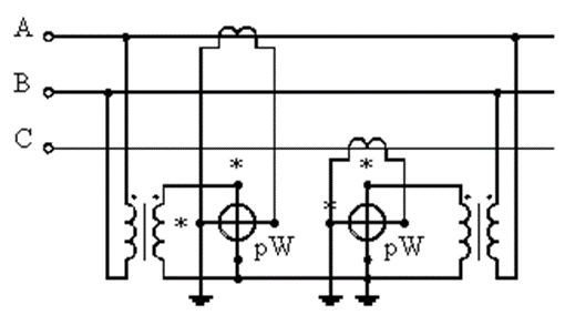
В трехпроводную сеть трехфазного тока включены амперметры на 5 А, вольтметры на 100 В и два однофазных ваттметра на на 5 А и 150 В со шкалой на 150 делений через трансформаторы тока 200/5 и трансформаторы напряжения 6000/100. Определить мощность нагр
Описание
В трехпроводную сеть трехфазного тока включены амперметры на 5 А, вольтметры на 100 В и два однофазных ваттметра на на 5 А и 150 В со шкалой на 150 делений через трансформаторы тока 200/5 и трансформаторы напряжения 6000/100. Определить мощность нагрузки и показания ваттметров в делениях шкалы, если показания вольтметров по 95 В, амперметров по 4,2 А, а коэффициент мощности нагрузки 0,8. Начертить схему включения приборов .
Характеристики решённой задачи
Программы
Просмотров
10
Качество
Идеальное компьютерное
Размер
23,89 Kb
Список файлов
Задача.docx
