Ответы к контрольной работе 1: КСР 1 - вариант 1.10 вариант 10
Описание



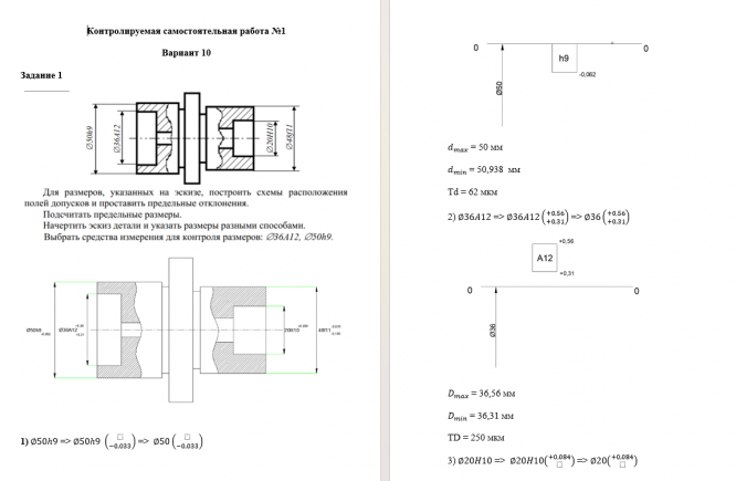
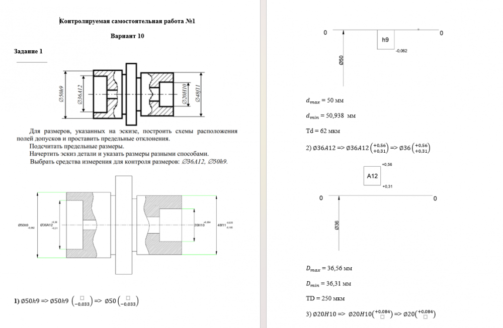
Для размеров, указанных на эскизе, построить схемы расположения
полей допусков и проставить предельные отклонения.
Подсчитать предельные размеры.
Начертить эскиз детали и указать размеры разными способами.
Выбрать средства измерения для контроля размеров: 36A12, 50h9.
Задание 2.
Начертить схемы расположения полей допусков посадок:
1) 20 U8/h7; 2) 18 H8/m7; 3) 80 B12/h12;
4) 36 H8/x8; 5) 30 N8/h7; 6) 24 H12/b12.
Подсчитать характеристики посадок (предельные и средние зазоры
(натяги) и допуски посадок).
Задание 3.
Дать пример обозначения предпочтительной посадки с натягом в
системе отверстия.
Построить схемы расположения полей допусков и подсчитать
характеристики посадки.
Показать, как изменятся характеристики посадки при изменении
допусков соединяемых деталей на один квалитет.
Задание 4.
Для соединения зубчатого колеса с валом выбрать
посадку с натягом по расчетным значениям предельных
натягов:
Nmax расч = 90 мкм; Nmin расч = 30 мкм.
Номинальный размер d= 32 мм
Показать/скрыть дополнительное описание
Задание 1. Для размеров, указанных на эскизе, построить схемы расположения полей допусков и проставить предельные отклонения. Подсчитать предельные размеры. Начертить эскиз детали и указать размеры разными способами. Выбрать средства измерения для контроля размеров: 36A12, 50h9. Задание 2. Начертить схемы расположения полей допусков посадок: 1) 20 U8/h7 ; 2) 18 H8/m7 ; 3) 80 B12/h12 ; 4) 36 H8/x8 ; 5) 30 N8/h7 ; 6) 24 H12/b12 . Подсчитать характеристики посадок (предельные и средние зазоры (натяги) и допуски посадок). Задание 3. Дать пример обозначения предпочтительной посадки с натягом в системе отверстия. Построить схемы расположения полей допусков и подсчитать характеристики посадки.
Показать, как изменятся характеристики посадки при изменении допусков соединяемых деталей на один квалитет. Задание 4. Для соединения зубчатого колеса с валом выбрать посадку с натягом по расчетным значениям предельных натягов: N max расч = 90 мкм; N min расч = 30 мкм. Номинальный размер d= 32 мм .
Характеристики ответов (шпаргалок) к КР
Список файлов
