Ответы к контрольной работе 1: КСР 1 - вариант 1.6 вариант 6
Описание



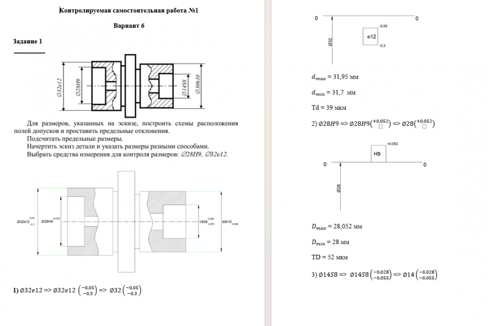
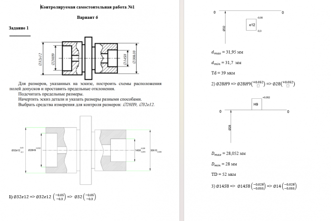
Для размеров, указанных на эскизе, построить схемы расположения
полей допусков и проставить предельные отклонения.
Подсчитать предельные размеры.
Начертить эскиз детали и указать размеры разными способами.
Выбрать средства измерения для контроля размеров: 28H9, 32e12.
Задание 2.
Начертить схемы расположения полей допусков посадок:
1) 30 D8/h7; 2) 80 H7/m6; 3) 32 T7/h6;
4) 10H9/f9; 5) 40 K5/h4; 6) 18 H7/s7.
Подсчитать характеристики посадок (предельные и средние зазоры
(натяги) и допуски посадок).
Задание 3.
Дать пример обозначения предпочтительной переходной посадки в
системе отверстия.
Построить схемы расположения полей допусков и подсчитать
характеристики посадки.
Показать, как изменятся характеристики посадки при изменении
допусков соединяемых деталей на один квалитет.
Задание 4.
Для соединения зубчатого колеса с валом выбрать
посадку с натягом по расчетным значениям предельных
натягов:
Nmax расч = 100 мкм; Nmin расч = 20 мкм.
Номинальный размер d = 22 мм.
Показать/скрыть дополнительное описание
Задание 1. Для размеров, указанных на эскизе, построить схемы расположения полей допусков и проставить предельные отклонения. Подсчитать предельные размеры. Начертить эскиз детали и указать размеры разными способами. Выбрать средства измерения для контроля размеров: 28H9, 32e12. Задание 2. Начертить схемы расположения полей допусков посадок: 1) 3 0 D8/h7 ; 2) 80 H7/m6 ; 3) 32 T7/h6 ; 4) 10H9/f9 ; 5) 40 K5/h4 ; 6) 18 H7/s7 . Подсчитать характеристики посадок (предельные и средние зазоры (натяги) и допуски посадок). Задание 3. Дать пример обозначения предпочтительной переходной посадки в системе отверстия. Построить схемы расположения полей допусков и подсчитать характеристики посадки.
Показать, как изменятся характеристики посадки при изменении допусков соединяемых деталей на один квалитет. Задание 4. Для соединения зубчатого колеса с валом выбрать посадку с натягом по расчетным значениям предельных натягов: N max расч = 100 мкм; N min расч = 20 мкм. Номинальный размер d = 22 мм..
Характеристики ответов (шпаргалок) к КР
Список файлов
