Для студентов МГТУ им. Н.Э.Баумана по предмету Металлорежущее оборудованиеГоризонтально-фрезерный станок 6Р82Г для изготовления деталей типа корпусГоризонтально-фрезерный станок 6Р82Г для изготовления деталей типа корпус
5,0051
2021-02-172024-09-03СтудИзба
Курсовая работа: Горизонтально-фрезерный станок 6Р82Г для изготовления деталей типа корпус
-41%
Описание
Фрезерование – процесс обработки плоскостей, фасонных и винтовых поверхностей, нарезание шлицев, резьбы и зубчатых колёс, получение винтовых канавок вращающимся режущим инструментом – фрезой. Этот метод обработки металлов резанием широко применяется в машиностроении, уступая по своей распространённости только токарной обработке.
Данный документ представляет собой отчет о последовательности работ, проведенных при выполнении курсового проекта. В нем разработают горизонтально – фрезерного станка 6Р82Г и технологический процесс обработки детали типа “корпус”.
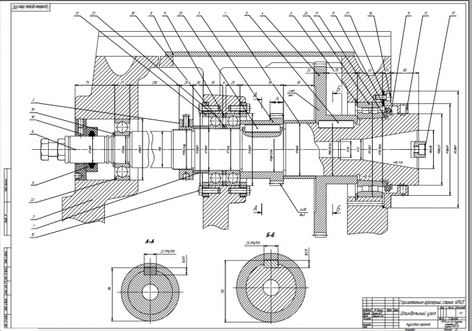
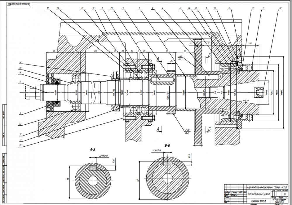
Этапы проектирования привода главного движения включают кинематический и силовой расчет шпиндельный узел, расчет вал шпиндельного узла, а также расчет и подбор подшипников. При разработке конструкции шпиндельного узла производится расчет на жесткость и тепловой расчет шпинделя.
В графическую часть курсового проекта входят:
- технологический процесс обработки детали типа “корпус”.
- общий вид станка;
- кинематическая схема станка;
- шпиндельный узел;
![]()
Данный документ представляет собой отчет о последовательности работ, проведенных при выполнении курсового проекта. В нем разработают горизонтально – фрезерного станка 6Р82Г и технологический процесс обработки детали типа “корпус”.
Этапы проектирования привода главного движения включают кинематический и силовой расчет шпиндельный узел, расчет вал шпиндельного узла, а также расчет и подбор подшипников. При разработке конструкции шпиндельного узла производится расчет на жесткость и тепловой расчет шпинделя.
В графическую часть курсового проекта входят:
- технологический процесс обработки детали типа “корпус”.
- общий вид станка;
- кинематическая схема станка;
- шпиндельный узел;



Характеристики курсовой работы
Предмет
Учебное заведение
Просмотров
168
Размер
5,26 Mb
Список файлов
Горизонтально-фрезерный станок для изготовления деталей типа корпус
Cпецификаций 1.pdf
Cпецификаций 2.pdf
Tung list4.cdw
list 1.dwg
list 4 ban chuan.cdw
tung 6Р82Г Развёртка.cdw
Записка Тунг.docx
Лист 1- Технологический процесс изготовления детали корпус.pdf
Лист 4 Шпиндель.pdf
лист 3 Кинематика схема tung.cdw
лист 3 Кинематика схема.pdf
лист 2 Общий вид tung.cdw
лист 2 Общий вид.pdf

Друзья, спасибо за доверие! Если вам понравилась работа – поставьте 5⭐ и напишите отзыв. Это поможет другим студентам, а мне даст силы делать ещё больше качественных материалов для вас 🔥