Курсовая работа: Расчет и проектирование привода рабочей машины
Описание
Вариант 2
Тема: Расчет и проектирование привода рабочей машины

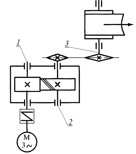
Рисунок 1. Кинематическая схема привода цепного конвейера
Исходные данные
Мощность на рабочем валу привода
Частота вращения рабочего вала 255 об/мин
Передаточное число редуктора uр = 2,24
Срок службы конвейера Lh = 8000 ч.
ОГЛАВЛЕНИЕ
Введение……………………………………………………………4
Расчет и проектирование привода
рабочей машины……………………………………………………5
1.Выбор двигателя. Кинематический
расчет привода ………………………………………………..........5
2. Выбор материала зубчатых колес и определение допускаемых
напряжений цилиндрической передачи…………………………..7
3. Расчет цилиндрической передачи………………………………9
3.1. Проектный расчет……………………………………………...9
3.2. Проверочный расчет………………………………………….11
4. Конструирование зубчатого колеса…………………………...13
5. Расчет цепной передачи………………………………………..14
6. Расчет быстроходного вала редуктора………………………..19
7. Выбор типа муфты……………………………………………..21
8. Проверочный расчет подшипников
быстроходного вала……………………………………………22
Список используемых источников………………………………24
Введение
Зубчатая передача — это механизм, который с помощью зубчатого зацепления передает или преобразует движение с изменением угловых скоростей и моментов.Зубчатые передачи применяют для преобразования и передачи вращательного движения между валами с параллельными, пересекающимися и перекрещивающимися осями, а также для преобразования вращательного движения в поступательное и наоборот.
Зубчатые передачи между параллельными валами осуществляются цилиндрическими колесами с прямыми, косыми и шевронными зубьями. Передачи между валами с пересекающимися осями осуществляются обычно коническими колесами с прямыми и круговыми зубьями реже тангенциальными зубьями. Зубчатые передачи для преобразования вращательного движения в поступательное и наоборот осуществляются цилиндрическим колесом и рейкой.
Для валов с перекрещивающимися осями применяют зубчато-винтовые передачи.
Зубчатые передачи составляют наиболее распространенную и важную группу механических передач. Выпуск зубчатых колес в России измеряется многими сотнями миллионов в год. Их применяют в широком диапазоне областей и условий работы: от часов и приборов до самых тяжелых машин, для передачи окружных сил от миллиньютонов до десятков меганьютонов, для моментов до 107 Ньютонов на метр и мощностей от ничтожно малых до десятков тысяч киловатт, с диаметрами колес от долей миллиметра до 10 м и более.
САФУ им. Ломоносова
all_at_700
















