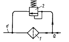
В гидросистеме с расходом масла Q = 0,628 л/с параллельно фильтру 1 установлен переливной клапан 2, открывающийся при перепаде давления на ΔP = 0,2 МПа. Определить вязкость v, при которой начнется открытие клапана, если коэффициент сопротивления филь
Описание
В гидросистеме с расходом масла Q = 0,628 л/с параллельно фильтру 1 установлен переливной клапан 2, открывающийся при перепаде давления на ΔP = 0,2 МПа. Определить вязкость v, при которой начнется открытие клапана, если коэффициент сопротивления фильтра связан с числом Рейнольдса формулой ξф = А/Rе, где А = 2640; Rе подсчитывается по диаметру трубы d = 20 мм; р = 850 кг/м3.

Характеристики решённой задачи
Номер задания
Вариант
Программы
Теги
Просмотров
10
Качество
Идеальное компьютерное
Размер
16,78 Kb
Список файлов
2-29.docx
Комментарии
Нет комментариев
Стань первым, кто что-нибудь напишет!
A45162
























