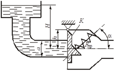
Для студентов по предмету Механика жидкости и газа (МЖГ или Гидравлика)Определить, при какой высоте уровня воды начнет открываться клапан K, если сила пружины Fпр=2 кН, угол ее установки α=45°, высота h=0,3 м. Труба передОпределить, при какой высоте уровня воды начнет открываться клапан K, если сила пружины Fпр=2 кН, угол ее установки α=45°, высота h=0,3 м. Труба перед
5,0051
2023-09-182024-09-20СтудИзба
Определить, при какой высоте уровня воды начнет открываться клапан K, если сила пружины Fпр=2 кН, угол ее установки α=45°, высота h=0,3 м. Труба перед клапаном имеет квадратное сечение со стороной а=300 мм.
Описание
Определить, при какой высоте уровня воды начнет открываться клапан K, если сила пружины Fпр=2 кН, угол ее установки α=45°, высота h=0,3 м. Труба перед клапаном имеет квадратное сечение со стороной а=300 мм.
Файлы условия, демо
Характеристики решённой задачи
Номер задания
Вариант
Программы
Теги
Просмотров
15
Качество
Идеальное компьютерное
Размер
123,33 Kb
Список файлов
1.38.docx
