Для студентов по предмету Механика жидкости и газа (МЖГ или Гидравлика)Задача 9-11Задача 9-11
5,00523
2023-03-272024-11-24СтудИзба
Задача 9: Задача 9-11 вариант 11
-80%
Описание
Зачтено на максимальный балл 💥 💥 💥
Спасибо за покупку 🥰🥰🥰
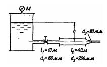
Задача (Куколевский И.И.) 9-11. Для горизонтального трубопровода, размеры которого указаны на схеме, определить расход Q при заданном давлении М = 4 атм и уровне воды в резервуаре Н = 5 м. Коэффициенты сопротивления вентиля С = 4 и сопла ? = 0,06 (сжатие струи на выходе из сопла отсутствует). Шероховатость каждого из участков трубопровода 1 мм (старые водопроводные трубы). Как изменится Q, если диаметр первого участка увеличить до d1 = 200 мм? Построить графики напоров по длине трубопровода.Ответ. Q = 67,8 и 128 л/сек.


Характеристики решённой задачи
Номер задания
Вариант
Теги
Просмотров
222
Размер
209,03 Kb
Список файлов
Задача (Куколевский И.И.) 9-11,.pdf

Друзья, спасибо за доверие! Если вам понравилась работа – поставьте 5⭐ и напишите отзыв. Это поможет другим студентам, а мне даст силы делать ещё больше качественных материалов для вас 🔥