Для студентов по предмету Механика жидкости и газа (МЖГ или Гидравлика)Определить диаметр отверстия дросселя, установленного на сливе гидро-цилиндра, если под действием внешней нагрузки F=60 кН поршень движется со скоростОпределить диаметр отверстия дросселя, установленного на сливе гидро-цилиндра, если под действием внешней нагрузки F=60 кН поршень движется со скорост
5,00518059
2022-05-272022-05-27СтудИзба
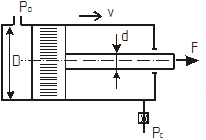
Определить диаметр отверстия дросселя, установленного на сливе гидро-цилиндра, если под действием внешней нагрузки F=60 кН поршень движется со скоростью υ=200 мм/с. Диаметр штока d=40 мм, диаметр цилиндра D=80 мм, ко-эффициент расхода дросселя μ=0,65
Описание
Определить диаметр отверстия дросселя, установленного на сливе гидроцилиндра, если под действием внешней нагрузки F=60 кН поршень движется со скоростью υ=200 мм/с. Диаметр штока d=40 мм, диаметр цилиндра D=80 мм, коэффициент расхода дросселя μ=0,65, плотность жидкости ρ=850 кг/м3, давление на сливе pс=0,3 МПа.
Файлы условия, демо
Характеристики решённой задачи
Программы
Просмотров
3
Качество
Идеальное компьютерное
Размер
37,73 Kb
Список файлов
Задача.docx
