Центробежный насос подает 1,2×10-3 м3/с воды при температуре to из открытой емкости в реактор, избыточное давление в котором составляет р2, ат. На всасывающей линии насоса имеется задвижка с целевым проходом 20 мм, на нагнетательной линии два колена,
Описание
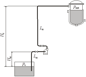
Центробежный насос подает 1,2×10-3 м3/с воды при температуре to из открытой емкости в реактор, избыточное давление в котором составляет р2, ат. На всасывающей линии насоса имеется задвижка с целевым проходом 20 мм, на нагнетательной линии два колена, n1 отводов под углом 130о с радиусом поворота равным 6 диаметрам трубы и n2 нормальных вентилей Длина всасывающего трубопровода Lв длина нагнетательного трубопровода Lн? метров Высота подъема жидкости Нг, м (табл. 1). Определить диаметр трубопровода, потерю давления во всасывающем и нагнетательном трубопроводах и найти допустимую высоту всасывания и мощность, потребляемую насосом, приняв общий КПД насосной установки 0,7. Абсолютная шероховатость трубопровода D = 2×10-4 м. Для всасывающего и нагнетательного трубопровода принять скорость течения воды, равную рассчитанной.
Дано:
- перекачиваемая жидкость вода;
- подача насоса V = 1,2-3×10 м3/с;
- температура бензола tо = 25оС;
- давление в заборной емкости (абс.) ро = 1 ат.;
- давление в реакторе (изб.) ризб = 2 ат.;
- длина всасывающего трубопровода Lв = 2 м;
- длина нагнетающего трубопровода Lн = 28 м;
- высота подъема Нг = 3 м;
- местные сопротивления на всасывающей линии:
задвижка с щелевым проходом d = 20 мм;
- местные сопротивления на линии нагнетания:
колено углом 90о nк = 2 шт.;
отводы под углом 130о с Ro/d = 6 n1 = 3 шт.;
нормальных вентилей n2 = 4 шт.;
- абсолютная шероховатость трубопровода ∆ = 0,2 мм;
- КПД насосной установки hн = 0,7.
Характеристики решённой задачи
Список файлов

Комментарии
