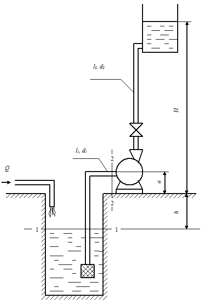
Для студентов по предмету Механика жидкости и газа (МЖГ или Гидравлика)Центробежный насос (рис.№1) откачивает воду из сборного колодца в резервуар с постоянным уровнем Н по трубопроводам размерами l1, d1, и l2, d2. эквиваЦентробежный насос (рис.№1) откачивает воду из сборного колодца в резервуар с постоянным уровнем Н по трубопроводам размерами l1, d1, и l2, d2. эквива
5,0051
2022-04-232022-04-23СтудИзба
Центробежный насос (рис.№1) откачивает воду из сборного колодца в резервуар с постоянным уровнем Н по трубопроводам размерами l1, d1, и l2, d2. эквивалентная шероховатость поверхности труб Δ, плотность воды ρ=1000кг/м3, кинематический коэффициент вяз
Описание
Центробежный насос (рис.№1) откачивает воду из сборного колодца в резервуар с постоянным уровнем Н по трубопроводам размерами l1, d1, и l2, d2. эквивалентная шероховатость поверхности труб Δ, плотность воды ρ=1000кг/м3, кинематический коэффициент вязкости ν= 0,01см2/с, расстояние а=1м.
Характеристики насоса представлены следующими параметрами:
Q=2 л/с
Нн= 47,5 м
Нвак =0
При расчётах принять суммарные коэффициенты местных сопротивлений на всасывающей линии ζ =10, на напорной линии ζ =6.
Требуется определить:
l1=12 м. Q=10 л/с = 10·10 -3мл/с
l2=48 м. ν= 0,01см2/с =0,01·10 -4м/с
d1=125 мм=0,125 м.
d2=125 мм=0,125 м.
Характеристики насоса представлены следующими параметрами:
Q=2 л/с
Нн= 47,5 м
Нвак =0
При расчётах принять суммарные коэффициенты местных сопротивлений на всасывающей линии ζ =10, на напорной линии ζ =6.
Требуется определить:
1. На какой глубина h установится уровень воды в колодце, если приток в него Q?
2. Вакуумметрическую высоту всасывания при входе в насос Нвак, выраженную в метрах водяного столба (м в. ст.).
3. Максимальную допустимую геометрическую высоту всасывания при заданном расходе.
Дано:
H=38 м. Δ=0,3 мм=0,0003 м.l1=12 м. Q=10 л/с = 10·10 -3мл/с
l2=48 м. ν= 0,01см2/с =0,01·10 -4м/с
d1=125 мм=0,125 м.
d2=125 мм=0,125 м.

Характеристики решённой задачи
Программы
Просмотров
13
Качество
Идеальное компьютерное
Размер
71 Kb
Список файлов
Задача.doc
