Для студентов по предмету Механика жидкости и газа (МЖГ или Гидравлика)Определить давление, создаваемое насосом (рис.1), если длины трубопроводов до и после гидроцилиндра, равны l; их диаметры d; диаметр поршня D; шток dШОпределить давление, создаваемое насосом (рис.1), если длины трубопроводов до и после гидроцилиндра, равны l; их диаметры d; диаметр поршня D; шток dШ
5,0052
2022-05-292022-05-29СтудИзба
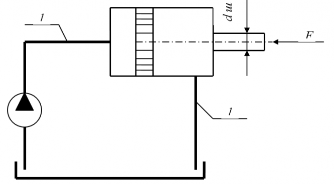
Определить давление, создаваемое насосом (рис.1), если длины трубопроводов до и после гидроцилиндра, равны l; их диаметры d; диаметр поршня D; шток dШ; си-ла на штоке F; подача насоса Q; вязкость рабочей жидкости ν=0,5 см2/с; плотность ρ=900кг/м3.
Описание
Определить давление, создаваемое насосом (рис.1), если длины трубопроводов до и после гидроцилиндра, равны l; их диаметры d; диаметр поршня D; шток dШ; сила на штоке F; подача насоса Q; вязкость рабочей жидкости ν=0,5 см2/с; плотность ρ=900кг/м3.
Потери напора в местных сопротивлениях не учитывать.
Рис.1
Дано: l=10 м; d=12 мм; D=50 мм; dШ=25 мм; F=2 кН; Q=1,5 л/с; ν=0,5 см2/с; ρ=900 кг/м3.
Характеристики решённой задачи
Программы
Просмотров
17
Качество
Идеальное компьютерное
Размер
55,25 Kb
Список файлов
Задача.docx
