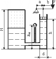
Для студентов НГТУ им. Р.Е. Алексеева по предмету Механика жидкости и газа (МЖГ или Гидравлика)В закрытый цилиндрический резервуар высотой Н, заполненный воздухом при атмосферном давлении, подается масло (относительная плотность δм = 0,870). ДавВ закрытый цилиндрический резервуар высотой Н, заполненный воздухом при атмосферном давлении, подается масло (относительная плотность δм = 0,870). Дав
5,0052
2022-04-162022-04-16СтудИзба
В закрытый цилиндрический резервуар высотой Н, заполненный воздухом при атмосферном давлении, подается масло (относительная плотность δм = 0,870). Давление в системе создается усилием F на рычаге (a = 0,8 м, b = 1,6 м) через поршень диаметром d, расп
Описание

Определить уровень масла в резервуаре, а также показание pм механического манометра, установленного на высоте zм .
d = 0,1 м; H = 2,0 м; h = 1,6 м; hатм = 745 мм рт. ст.; F = 0,6 кН; zм = 4,5 м; δм = 0,870; a = 0,8 м; b = 1,6 м
Характеристики решённой задачи
Учебное заведение
Номер задания
Вариант
Программы
Теги
Просмотров
44
Качество
Идеальное компьютерное
Размер
92,5 Kb
Список файлов
Задача.doc
