Центробежный насос, характеристика которого задана в условии, работает в системе, перекачивая воду, температура которой T=40С, из закрытого резервуара А в открытый резервуар Б. Стальные трубы всасывания и нагнетания соответственно имеют диаметр dв и
Описание
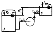
Центробежный насос, характеристика которого задана в условии, работает в системе, перекачивая воду, температура которой T=40°С, из закрытого резервуара А в открытый резервуар Б. Стальные трубы всасывания и нагнетания соответственно имеют диаметр dв и dн, длину lв и lн, а их эквивалентная шероховатость Dэ = 0,1 мм. Перепад горизонтов в резервуарах равен Hг, а избыточное давление в резервуаре А равно р0.
Найти рабочую точку при работе насоса в установке (определить напор, подачу и мощность на валу насоса).
При построении характеристики насосной установки местные гидравлические сопротивления учесть в крутых поворотах и при входе нагнетательного трубопровода в резервуар.
Условие:
Q, л/с | 0,0 | 1,0 | 2,0 | 3,0 | 4,0 | 5,0 | 6,0 | 7,0 | 8,0 |
H, м | 13,0 | 14,0 | 14,3 | 14,0 | 13,1 | 11,8 | 10,0 | 5,5 | 4,0 |
h, % | 0,0 | 27,0 | 40,0 | 50,0 | 58,0 | 62,0 | 60,0 | 51,0 | 35,0 |
Hг, м p0, КПа lв, м lн, м dв, мм dн, мм | 5,00 10,0 14,0 35,0 50 50 |
Характеристики решённой задачи
Список файлов
