Рабочая жидкость – масло Ж, температура которого 50°С, из насоса подводится к гидроцилиндру Ц через дроссель ДР. Поршень цилиндра со штоком перемещается против нагрузки F со скоростью υп. Вытесняемая поршнем жидкость со штоковой полости попадает в ба
Описание
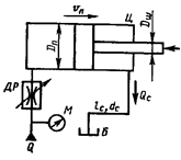
Рабочая жидкость – масло Ж, температура которого 50°С, из насоса подводится к гидроцилиндру Ц через дроссель ДР. Поршень цилиндра со штоком перемещается против нагрузки F со скоростью υп. Вытесняемая поршнем жидкость со штоковой полости попадает в бак Б через сливную линию, длина которой равна lс, а диаметр равен dс.
Определить внешнюю силу F, преодолеваемую штоком при его движении. Давление на входе в дроссель определяется показанием манометра М, а противодавление в штоковой полости цилиндра – потерями давления в сливной линии Коэффициент расхода дросселя принять равным m=0,64, а диаметр отверстия дросселя dд. Диаметр поршня Dп, а диаметр штока Dш. К.п.д. гидроцилиндра: объемный ηо=1,0, механический ηм.
Условие:
Ж uп, см/с l, м dc, мм pм, МПа dд, мм Dп, мм Dш, мм hм | АМГ-10 3,50 2,70 13 1,70 5,50 125 40 0,93 |
Характеристики решённой задачи
Список файлов
