Главная » Учебные материалы » Механика жидкости и газа (МЖГ или Гидравлика) » Решения задач » Несколько классов/семестров » Рассчитать диаметр трубопровода для перекачки воды из скважины (колодца) в водонапорную башню (по вариантам). Исходные данные для расчета приведены в таблице 6.1. Условные обозначения: h-превышение уровня воды в расход; hw-допустимые потери напора в
Для студентов по предмету Механика жидкости и газа (МЖГ или Гидравлика)Рассчитать диаметр трубопровода для перекачки воды из скважины (колодца) в водонапорную башню (по вариантам). Исходные данные для расчета приведены в Рассчитать диаметр трубопровода для перекачки воды из скважины (колодца) в водонапорную башню (по вариантам). Исходные данные для расчета приведены в
5,0053
2022-01-10СтудИзба

Рассчитать диаметр трубопровода для перекачки воды из скважины (колодца) в водонапорную башню (по вариантам). Исходные данные для расчета приведены в таблице 6.1. Условные обозначения: h-превышение уровня воды в расход; hw-допустимые потери напора в

Описание

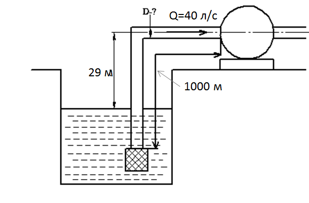
Рассчитать диаметр трубопровода для перекачки воды из скважины (колодца) в водонапорную башню (по вариантам). Исходные данные для расчета приведены в таблице 6.1. Условные обозначения: h-превышение уровня воды в расход; hw-допустимые потери напора в трубопроводе, n-коэффициент шероховатости стенок трубопровода n. Принимаемый в расчѐте напор H= h+ hw.

Рис. 6.1 – Исходные данные.

Табл.6.1

Исходные данные.

Q, л/с

L, м

h,м

hw

n

40

1000

29

40

0,024

Характеристики решённой задачи

Программы
Просмотров
24
Качество
Идеальное компьютерное
Размер
65,62 Kb

Список файлов

Картинка-подпись

Комментарии

Поделитесь ссылкой:
Цена: 79 руб.
Расширенная гарантия +3 недели гарантии, +10% цены
Рейтинг покупателей
5 из 5
Поделитесь ссылкой:
Сопутствующие материалы
FREE
И.И. Куколевский, Л.Г. Подвидз - Сборник задач по машиностроительной гидравлике
Бензин плотностью ρ = 750 кг/м3 сливается из цистерны в бак по трубе длиной l = 2 м и диаметром d = 20 мм, на которой установлен кран с коэффициентом сопротивления ζкр = 3. Определить расход бензина при известных Н = 2 м и h = 1,3 м, если в верхней ч
Цилиндрический сосуд, заполненный водой, приведён во вращение с постоянной угловой скоростью ω=10 рад/с. Найти наименьшее давление в воде, заполняющей сосуд, по показанию h=1 м ртутного манометра, вращающегося вместе с сосудом, если r1=0,8 м, r2=0,7
Последовательно соединенные трубопроводы с водой имеют U-образный ртутный манометр. Рассчитать давления и скорости воды в двух сечениях данных трубопроводов, пренебрегая потерями напора, если Q=10 л/с; d1=5 см; d2=10 см; ρв=1000 кг/см3; ρрт=13600 кг/
Сифон длиной l=11+l2=25м и диаметром d=0,4 м позволяет перетекать воде из одного резервуара в другой. Центральная часть сифона поднимается на высоту h1=2 м над свободной поверхностью жидкости. Разница уровней в резервуарах z=2,5 м. Коэффициент потери
Центробежный насос поднимает воду на высоту hг=6 м по трубопроводу дойной l=700 м и диаметром d=150 мм (рис. 10.13). Коэффициент гидравлического трения λ=0,03, суммарный коэффициент местных сопротивлений Σζ=12. Характеристика насоса при n=1000 мин-1

Подобрали для Вас услуги

Подобрали для Вас услуги

-30%
-30%
Вы можете использовать решённую задачу для примера, а также можете ссылаться на неё в своей работе. Авторство принадлежит автору работы, поэтому запрещено копировать текст из этой работы для любой публикации, в том числе в свою задачу в учебном заведении, без правильно оформленной ссылки. Читайте как правильно публиковать ссылки в своей работе.
Свежие статьи
Популярно сейчас
Почему делать на заказ в разы дороже, чем купить готовую учебную работу на СтудИзбе? Наши учебные работы продаются каждый год, тогда как большинство заказов выполняются с нуля. Найдите подходящий учебный материал на СтудИзбе!
Ответы на популярные вопросы
Да! Наши авторы собирают и выкладывают те работы, которые сдаются в Вашем учебном заведении ежегодно и уже проверены преподавателями.
Да! У нас любой человек может выложить любую учебную работу и зарабатывать на её продажах! Но каждый учебный материал публикуется только после тщательной проверки администрацией.
Вернём деньги! А если быть более точными, то автору даётся немного времени на исправление, а если не исправит или выйдет время, то вернём деньги в полном объёме!
Да! На равне с готовыми студенческими работами у нас продаются услуги. Цены на услуги видны сразу, то есть Вам нужно только указать параметры и сразу можно оплачивать.
Отзывы студентов
Ставлю 10/10
Все нравится, очень удобный сайт, помогает в учебе. Кроме этого, можно заработать самому, выставляя готовые учебные материалы на продажу здесь. Рейтинги и отзывы на преподавателей очень помогают сориентироваться в начале нового семестра. Спасибо за такую функцию. Ставлю максимальную оценку.
Лучшая платформа для успешной сдачи сессии
Познакомился со СтудИзбой благодаря своему другу, очень нравится интерфейс, количество доступных файлов, цена, в общем, все прекрасно. Даже сам продаю какие-то свои работы.
Студизба ван лав ❤
Очень офигенный сайт для студентов. Много полезных учебных материалов. Пользуюсь студизбой с октября 2021 года. Серьёзных нареканий нет. Хотелось бы, что бы ввели подписочную модель и сделали материалы дешевле 300 рублей в рамках подписки бесплатными.
Отличный сайт
Лично меня всё устраивает - и покупка, и продажа; и цены, и возможность предпросмотра куска файла, и обилие бесплатных файлов (в подборках по авторам, читай, ВУЗам и факультетам). Есть определённые баги, но всё решаемо, да и администраторы реагируют в течение суток.
Маленький отзыв о большом помощнике!
Студизба спасает в те моменты, когда сроки горят, а работ накопилось достаточно. Довольно удобный сайт с простой навигацией и огромным количеством материалов.
Студ. Изба как крупнейший сборник работ для студентов
Тут дофига бывает всего полезного. Печально, что бывают предметы по которым даже одного бесплатного решения нет, но это скорее вопрос к студентам. В остальном всё здорово.
Спасательный островок
Если уже не успеваешь разобраться или застрял на каком-то задание поможет тебе быстро и недорого решить твою проблему.
Всё и так отлично
Всё очень удобно. Особенно круто, что есть система бонусов и можно выводить остатки денег. Очень много качественных бесплатных файлов.
Отзыв о системе "Студизба"
Отличная платформа для распространения работ, востребованных студентами. Хорошо налаженная и качественная работа сайта, огромная база заданий и аудитория.
Отличный помощник
Отличный сайт с кучей полезных файлов, позволяющий найти много методичек / учебников / отзывов о вузах и преподователях.
Отлично помогает студентам в любой момент для решения трудных и незамедлительных задач
Хотелось бы больше конкретной информации о преподавателях. А так в принципе хороший сайт, всегда им пользуюсь и ни разу не было желания прекратить. Хороший сайт для помощи студентам, удобный и приятный интерфейс. Из недостатков можно выделить только отсутствия небольшого количества файлов.
Спасибо за шикарный сайт
Великолепный сайт на котором студент за не большие деньги может найти помощь с дз, проектами курсовыми, лабораторными, а также узнать отзывы на преподавателей и бесплатно скачать пособия.
Популярные преподаватели
Добавляйте материалы
и зарабатывайте!
Продажи идут автоматически
6818
Авторов
на СтудИзбе
276
Средний доход
с одного платного файла
Обучение Подробнее