Для студентов по предмету Механика жидкости и газа (МЖГ или Гидравлика)Рассчитать диаметр трубопровода для перекачки воды из скважины (колодца) в водонапорную башню (по вариантам). Исходные данные для расчета приведены в Рассчитать диаметр трубопровода для перекачки воды из скважины (колодца) в водонапорную башню (по вариантам). Исходные данные для расчета приведены в
5,00517955
2021-11-162021-11-16СтудИзба
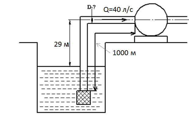
Рассчитать диаметр трубопровода для перекачки воды из скважины (колодца) в водонапорную башню (по вариантам). Исходные данные для расчета приведены в таблице 6.1. Условные обозначения: h-превышение уровня воды в расход; hw-допустимые потери напора в
Описание
Рассчитать диаметр трубопровода для перекачки воды из скважины (колодца) в водонапорную башню (по вариантам). Исходные данные для расчета приведены в таблице 6.1. Условные обозначения: h-превышение уровня воды в расход; hw-допустимые потери напора в трубопроводе, n-коэффициент шероховатости стенок трубопровода n. Принимаемый в расчѐте напор H= h+ hw.
Рис. 6.1 – Исходные данные.
Табл.6.1
Исходные данные.
Q, л/с | L, м | h,м | hw,м | n |
40 | 1000 | 29 | 40 | 0,024 |
Решение:
Характеристики решённой задачи
Просмотров
10
Качество
Идеальное компьютерное
Размер
62,95 Kb
Список файлов
