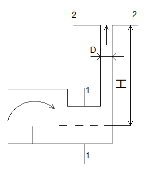
Для студентов по предмету Механика жидкости и газа (МЖГ или Гидравлика)По вытяжной трубе диаметром D = 700 мм газ удаляется из борова котельной установки, где имеется разрежение, соответствующее высоте 10 мм вод. ст. ПлотПо вытяжной трубе диаметром D = 700 мм газ удаляется из борова котельной установки, где имеется разрежение, соответствующее высоте 10 мм вод. ст. Плот
5,0059
2018-02-202018-02-20СтудИзба
По вытяжной трубе диаметром D = 700 мм газ удаляется из борова котельной установки, где имеется разрежение, соответствующее высоте 10 мм вод. ст. Плотность газа ρг =0,07 кг/м3; плотность воздуха ρв= 1,2 кг/м3; отношение сечения борова к сечению трубы
Описание

В word13.
Характеристики решённой задачи
Программы
Просмотров
572
Качество
Идеальное компьютерное
Размер
38,85 Kb
Список файлов
17499-16796-1519134514-zadacha.docx
