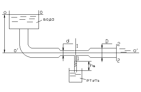
Для студентов по предмету Механика жидкости и газа (МЖГ или Гидравлика)Из резервуара по трубе, имеющей сужение, протекает вода. Определить диаметр суженной части d, при котором образуется заданная величина hвак=10мм, еслиИз резервуара по трубе, имеющей сужение, протекает вода. Определить диаметр суженной части d, при котором образуется заданная величина hвак=10мм, если
5,0053
2018-02-132018-02-13СтудИзба
Из резервуара по трубе, имеющей сужение, протекает вода. Определить диаметр суженной части d, при котором образуется заданная величина hвак=10мм, если известны напор Н=10м и диаметр D=100мм.
Описание
Из резервуара по трубе, имеющей сужение, протекает вода. Определить диаметр суженной части d, при котором образуется заданная величина hвак=10мм, если известны напор Н=10м и диаметр D=100мм.
В word13.
Характеристики решённой задачи
Программы
Просмотров
492
Качество
Идеальное компьютерное
Размер
49,75 Kb
Список файлов
17499-16672-1518540526-zadacha.docx
