Главная » Учебные материалы » Механика жидкости и газа (МЖГ или Гидравлика) » Решения задач » Несколько классов/семестров » Номер 11.5 » Насос подает керосин в трубопровод. Размеры труб d1 = 82 мм, l1 = 53 м, d2 = d3 = 62 мм, l2 = l3 = 55 м, шероховатость Δ = 0,5 мм, коэффициент сопротивления вентиля ζ = 5, высоты расположения выходных сечений H2 = 4,6 м, H3 = 5,3 м. Расход насоса Q1
Для студентов по предмету Механика жидкости и газа (МЖГ или Гидравлика)Насос подает керосин в трубопровод. Размеры труб d1 = 82 мм, l1 = 53 м, d2 = d3 = 62 мм, l2 = l3 = 55 м, шероховатость Δ = 0,5 мм, коэффициент сопротиНасос подает керосин в трубопровод. Размеры труб d1 = 82 мм, l1 = 53 м, d2 = d3 = 62 мм, l2 = l3 = 55 м, шероховатость Δ = 0,5 мм, коэффициент сопроти
5,0054
2016-01-15СтудИзба

Насос подает керосин в трубопровод. Размеры труб d1 = 82 мм, l1 = 53 м, d2 = d3 = 62 мм, l2 = l3 = 55 м, шероховатость Δ = 0,5 мм, коэффициент сопротивления вентиля ζ = 5, высоты расположения выходных сечений H2 = 4,6 м, H3 = 5,3 м. Расход насоса Q1

Описание

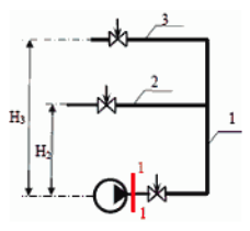
Насос подает керосин в трубопровод. Размеры труб d1 = 82 мм, l1 = 53 м, d2 = d3 = 62 мм, l2 = l3 = 55 м, шероховатость Δ = 0,5 мм, коэффициент сопротивления вентиля ζ = 5, высоты расположения выходных сечений H2 = 4,6 м, H3 = 5,3 м. Расход насоса Q1 = 0,04 м3/с. Определить: 1) расходы жидкости на участках 2 и 3; 2) давления на выходе из насоса (в сечении 1-1); 3) при каких значениях диаметров d2 и d3расходы на участках 2 и 3 будут равны?

Полное решение с пояснениями в word13

Характеристики решённой задачи

Номер задания
Программы
Просмотров
929
Качество
Идеальное компьютерное
Размер
36,2 Kb

Список файлов

17499-5573-1452867169-1.docx
Картинка-подпись

Комментарии

Нет комментариев
Стань первым, кто что-нибудь напишет!
Поделитесь ссылкой:
Цена: 95 руб.
Расширенная гарантия +3 недели гарантии, +10% цены
Рейтинг покупателей
5 из 5
Поделитесь ссылкой:
Сопутствующие материалы
Полив трехпольного участка, занятого под овощными культурами, осуществляется двумя машинами «Фрегат» модификации ДМ-394-80, каждая из которых работает поочередно на трех позициях. Перемещение машин с позиции на позицию обеспечивается трактором. Центр
Даны два сечения трубопровода длиной l = 150 м. В начале трубопровода в сечении 1-1 диаметр d1 = 160 мм, геометрическая высота положения сечения z1 = 3м, соответственно в сечении 2-2 d2 = 130 мм и z2 = 5 м; расход жидкости Q = 0,03 м3/с, гидродинамич
Трубопровод состоит из труб двух диаметров: d = 70,7 мм и D = 100 мм. На трубопроводе установлены три пьезометра, причем высоты столбов воды h во всех пьезометрах одинаковы, но жидкость в первом пьезометре испытывает действия силы P = 0,2 Н, приложе
В тепличном комбинате стальные трубопроводы для подачи питательного раствора (кинематическая вязкость ν=0,01 см2/с) разветвляются на три участка: последовательный с путевым объемным расходом воды q=0,06 л/с и объемным расходом Q2=0,12 м3/с, параллель
На рисунке показан всасывающий трубопровод гидросистемы. Длина трубопровода L = 1 м, диаметр d = 20 мм, расход жидкости Q = 0,314 л/с, абсолютное давление воздуха на свободной поверхности жидкости в баке р0 = 100 кПа, высота h = 1 м, плотность жидкос
В бак, разделенный на две секции перегородкой, имеющей отверстие диаметром d = 100 мм с острой кромкой, поступает вода в количестве Q = 80 л/с. Из каждой секции вода вытекает через цилиндрический насадок, диаметр, которого равен диаметру отверстия в

Подобрали для Вас услуги

-30%
-20%
-30%
Вы можете использовать решённую задачу для примера, а также можете ссылаться на неё в своей работе. Авторство принадлежит автору работы, поэтому запрещено копировать текст из этой работы для любой публикации, в том числе в свою задачу в учебном заведении, без правильно оформленной ссылки. Читайте как правильно публиковать ссылки в своей работе.
Свежие статьи
Популярно сейчас
Зачем заказывать выполнение своего задания, если оно уже было выполнено много много раз? Его можно просто купить или даже скачать бесплатно на СтудИзбе. Найдите нужный учебный материал у нас!
Ответы на популярные вопросы
Да! Наши авторы собирают и выкладывают те работы, которые сдаются в Вашем учебном заведении ежегодно и уже проверены преподавателями.
Да! У нас любой человек может выложить любую учебную работу и зарабатывать на её продажах! Но каждый учебный материал публикуется только после тщательной проверки администрацией.
Вернём деньги! А если быть более точными, то автору даётся немного времени на исправление, а если не исправит или выйдет время, то вернём деньги в полном объёме!
Да! На равне с готовыми студенческими работами у нас продаются услуги. Цены на услуги видны сразу, то есть Вам нужно только указать параметры и сразу можно оплачивать.
Отзывы студентов
Ставлю 10/10
Все нравится, очень удобный сайт, помогает в учебе. Кроме этого, можно заработать самому, выставляя готовые учебные материалы на продажу здесь. Рейтинги и отзывы на преподавателей очень помогают сориентироваться в начале нового семестра. Спасибо за такую функцию. Ставлю максимальную оценку.
Лучшая платформа для успешной сдачи сессии
Познакомился со СтудИзбой благодаря своему другу, очень нравится интерфейс, количество доступных файлов, цена, в общем, все прекрасно. Даже сам продаю какие-то свои работы.
Студизба ван лав ❤
Очень офигенный сайт для студентов. Много полезных учебных материалов. Пользуюсь студизбой с октября 2021 года. Серьёзных нареканий нет. Хотелось бы, что бы ввели подписочную модель и сделали материалы дешевле 300 рублей в рамках подписки бесплатными.
Отличный сайт
Лично меня всё устраивает - и покупка, и продажа; и цены, и возможность предпросмотра куска файла, и обилие бесплатных файлов (в подборках по авторам, читай, ВУЗам и факультетам). Есть определённые баги, но всё решаемо, да и администраторы реагируют в течение суток.
Маленький отзыв о большом помощнике!
Студизба спасает в те моменты, когда сроки горят, а работ накопилось достаточно. Довольно удобный сайт с простой навигацией и огромным количеством материалов.
Студ. Изба как крупнейший сборник работ для студентов
Тут дофига бывает всего полезного. Печально, что бывают предметы по которым даже одного бесплатного решения нет, но это скорее вопрос к студентам. В остальном всё здорово.
Спасательный островок
Если уже не успеваешь разобраться или застрял на каком-то задание поможет тебе быстро и недорого решить твою проблему.
Всё и так отлично
Всё очень удобно. Особенно круто, что есть система бонусов и можно выводить остатки денег. Очень много качественных бесплатных файлов.
Отзыв о системе "Студизба"
Отличная платформа для распространения работ, востребованных студентами. Хорошо налаженная и качественная работа сайта, огромная база заданий и аудитория.
Отличный помощник
Отличный сайт с кучей полезных файлов, позволяющий найти много методичек / учебников / отзывов о вузах и преподователях.
Отлично помогает студентам в любой момент для решения трудных и незамедлительных задач
Хотелось бы больше конкретной информации о преподавателях. А так в принципе хороший сайт, всегда им пользуюсь и ни разу не было желания прекратить. Хороший сайт для помощи студентам, удобный и приятный интерфейс. Из недостатков можно выделить только отсутствия небольшого количества файлов.
Спасибо за шикарный сайт
Великолепный сайт на котором студент за не большие деньги может найти помощь с дз, проектами курсовыми, лабораторными, а также узнать отзывы на преподавателей и бесплатно скачать пособия.
Популярные преподаватели
Добавляйте материалы
и зарабатывайте!
Продажи идут автоматически
6846
Авторов
на СтудИзбе
273
Средний доход
с одного платного файла
Обучение Подробнее
{user_main_secret_data}