Главная » Учебные материалы » Механика жидкости и газа (МЖГ или Гидравлика) » Решения задач » Несколько классов/семестров » Центробежный насос, графическая характеристика которого задана, подаёт воду на геометрическую высоту Нг. Температура воды t. Трубы всасывания dв и нагнетания dн имеют длину соответственно lв и lн. Эквивалентная шероховатость Δэ. Избыточное давление в
Для студентов по предмету Механика жидкости и газа (МЖГ или Гидравлика)Центробежный насос, графическая характеристика которого задана, подаёт воду на геометрическую высоту Нг. Температура воды t. Трубы всасывания dв и нагЦентробежный насос, графическая характеристика которого задана, подаёт воду на геометрическую высоту Нг. Температура воды t. Трубы всасывания dв и наг
5,0052
2017-02-26СтудИзба

Центробежный насос, графическая характеристика которого задана, подаёт воду на геометрическую высоту Нг. Температура воды t. Трубы всасывания dв и нагнетания dн имеют длину соответственно lв и lн. Эквивалентная шероховатость Δэ. Избыточное давление в

Описание

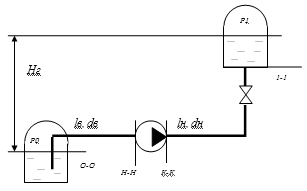
Центробежный насос, графическая характеристика которого задана, подаёт воду на геометрическую высоту Нг. Температура воды t. Трубы всасывания dв и нагнетания dн имеют длину соответственно lв и lн. Эквивалентная шероховатость Δэ. Избыточное давление в нагнетательном резервуаре Р2 остаётся постоянным. Избыточное давление во всасывающем резервуаре Р1. Найти рабочую точку при работе насоса на сети. Определить для неё допустимую высоту всасывания. Исходные данные

В word13.

Характеристики решённой задачи

Программы
Просмотров
890
Качество
Идеальное компьютерное
Размер
106,41 Kb

Список файлов

17499-12546-1488086872-zadacha-.docx
Картинка-подпись

Комментарии

Нет комментариев
Стань первым, кто что-нибудь напишет!
Поделитесь ссылкой:
Цена: 80 руб.
Расширенная гарантия +3 недели гарантии, +10% цены
Рейтинг покупателей
5 из 5
Поделитесь ссылкой:
Сопутствующие материалы
Шток силового гидроцилиндра Ц нагружен силой F и под действием давления Р перемещается слева направо, совершая рабочий ход S, за время τ. Рабочая жидкость при этом из штоковой полости цилиндра сливается через дроссель ДР. Диаметры поршня и штока соот
Закрытый резервуар заполнен дизельным топливом, температура которого равна 20oС. В вертикальной стенке резервуара имеется прямоугольное отверстие (Dxb), закрытое крышкой ABC. Крышка может вращаться вокруг горизонтальной оси А. Криволинейная часть кры
Автоклав объемом 25,0 л наполнен жидкостью и закрыт герметически. Коэффициент температурного расширения жидкости α, ее модуль упругости Е. Определить повышение давления в автоклаве при увеличении температуры жидкости на величину Т. Объемной деформаци
FREE
И.И. Куколевский, Л.Г. Подвидз - Сборник задач по машиностроительной гидравлике
Определить силу гидростатического давления на дисковый затвор диаметром D=400 мм и момент этой силы относительно оси поворота затвора при уровне жидкости h=1 м и вакууме а резервуаре Рв=16 кПа. Плотность жидкости ρ=800 кг/м3, момент инерции круга J
В баке А жидкость подогревается до температуры 50 ºC и самотеком по трубопроводу длиной l попадает в производственный цех. Напор в баке А равен Н. Каким должен быть диаметр трубопровода, чтобы обеспечивалась подача жидкости в количестве Q при маном

Подобрали для Вас услуги

-30%
-17%
-30%
Вы можете использовать решённую задачу для примера, а также можете ссылаться на неё в своей работе. Авторство принадлежит автору работы, поэтому запрещено копировать текст из этой работы для любой публикации, в том числе в свою задачу в учебном заведении, без правильно оформленной ссылки. Читайте как правильно публиковать ссылки в своей работе.
Свежие статьи
Популярно сейчас
Зачем заказывать выполнение своего задания, если оно уже было выполнено много много раз? Его можно просто купить или даже скачать бесплатно на СтудИзбе. Найдите нужный учебный материал у нас!
Ответы на популярные вопросы
Да! Наши авторы собирают и выкладывают те работы, которые сдаются в Вашем учебном заведении ежегодно и уже проверены преподавателями.
Да! У нас любой человек может выложить любую учебную работу и зарабатывать на её продажах! Но каждый учебный материал публикуется только после тщательной проверки администрацией.
Вернём деньги! А если быть более точными, то автору даётся немного времени на исправление, а если не исправит или выйдет время, то вернём деньги в полном объёме!
Да! На равне с готовыми студенческими работами у нас продаются услуги. Цены на услуги видны сразу, то есть Вам нужно только указать параметры и сразу можно оплачивать.
Отзывы студентов
Ставлю 10/10
Все нравится, очень удобный сайт, помогает в учебе. Кроме этого, можно заработать самому, выставляя готовые учебные материалы на продажу здесь. Рейтинги и отзывы на преподавателей очень помогают сориентироваться в начале нового семестра. Спасибо за такую функцию. Ставлю максимальную оценку.
Лучшая платформа для успешной сдачи сессии
Познакомился со СтудИзбой благодаря своему другу, очень нравится интерфейс, количество доступных файлов, цена, в общем, все прекрасно. Даже сам продаю какие-то свои работы.
Студизба ван лав ❤
Очень офигенный сайт для студентов. Много полезных учебных материалов. Пользуюсь студизбой с октября 2021 года. Серьёзных нареканий нет. Хотелось бы, что бы ввели подписочную модель и сделали материалы дешевле 300 рублей в рамках подписки бесплатными.
Отличный сайт
Лично меня всё устраивает - и покупка, и продажа; и цены, и возможность предпросмотра куска файла, и обилие бесплатных файлов (в подборках по авторам, читай, ВУЗам и факультетам). Есть определённые баги, но всё решаемо, да и администраторы реагируют в течение суток.
Маленький отзыв о большом помощнике!
Студизба спасает в те моменты, когда сроки горят, а работ накопилось достаточно. Довольно удобный сайт с простой навигацией и огромным количеством материалов.
Студ. Изба как крупнейший сборник работ для студентов
Тут дофига бывает всего полезного. Печально, что бывают предметы по которым даже одного бесплатного решения нет, но это скорее вопрос к студентам. В остальном всё здорово.
Спасательный островок
Если уже не успеваешь разобраться или застрял на каком-то задание поможет тебе быстро и недорого решить твою проблему.
Всё и так отлично
Всё очень удобно. Особенно круто, что есть система бонусов и можно выводить остатки денег. Очень много качественных бесплатных файлов.
Отзыв о системе "Студизба"
Отличная платформа для распространения работ, востребованных студентами. Хорошо налаженная и качественная работа сайта, огромная база заданий и аудитория.
Отличный помощник
Отличный сайт с кучей полезных файлов, позволяющий найти много методичек / учебников / отзывов о вузах и преподователях.
Отлично помогает студентам в любой момент для решения трудных и незамедлительных задач
Хотелось бы больше конкретной информации о преподавателях. А так в принципе хороший сайт, всегда им пользуюсь и ни разу не было желания прекратить. Хороший сайт для помощи студентам, удобный и приятный интерфейс. Из недостатков можно выделить только отсутствия небольшого количества файлов.
Спасибо за шикарный сайт
Великолепный сайт на котором студент за не большие деньги может найти помощь с дз, проектами курсовыми, лабораторными, а также узнать отзывы на преподавателей и бесплатно скачать пособия.
Популярные преподаватели
Добавляйте материалы
и зарабатывайте!
Продажи идут автоматически
7005
Авторов
на СтудИзбе
261
Средний доход
с одного платного файла
Обучение Подробнее
{user_main_secret_data}