Для студентов по предмету Механика жидкости и газа (МЖГ или Гидравлика)Для откачки грунтовых вод из колодца используют центробежный насос, производительность которого Q=45 л/с. При работе насоса уровень воды в колодце устДля откачки грунтовых вод из колодца используют центробежный насос, производительность которого Q=45 л/с. При работе насоса уровень воды в колодце уст
5,0059
2017-01-262017-01-26СтудИзба
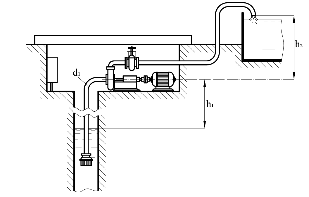
Для откачки грунтовых вод из колодца используют центробежный насос, производительность которого Q=45 л/с. При работе насоса уровень воды в колодце устанавливается на высоте h1=4,5м ниже оси насоса.nОпределить диаметр d1 всасывающей трубы и потребляем
Описание
Для откачки грунтовых вод из колодца используют центробежный насос, производительность которого Q=45 л/с. При работе насоса уровень воды в колодце устанавливается на высоте h1=4,5м ниже оси насоса.nОпределить диаметр d1 всасывающей трубы и потребляемую насосом мощность при полностью открытой задвижке на нагнетательной трубе. Выходное сечение нагнетательной трубы расположено на высоте h2=0,57 м выше оси насоса, суммарные потери во всасывающей трубе hws =0,52м, суммарные потери в нагнетательной трубе hwd=3,2м, КПД насоса принять равным η=0,72 . Вакуумметрическая высота всасывания при входе воды в насос не должна превышать hвак=6 м. ![]()

Подробное решение с пояснениями в word13.
Характеристики решённой задачи
Программы
Просмотров
970
Качество
Идеальное компьютерное
Размер
52,92 Kb
Список файлов
17499-12396-1485457260-zadacha-.docx
