Для студентов по предмету Механика жидкости и газа (МЖГ или Гидравлика)Из открытого резервуара, в котором поддерживается постоянный уровень жидкости, по трубопроводу, имеющему два участка, жидкость при температуре 20 0С тИз открытого резервуара, в котором поддерживается постоянный уровень жидкости, по трубопроводу, имеющему два участка, жидкость при температуре 20 0С т
5,00512
2019-06-022019-06-02СтудИзба
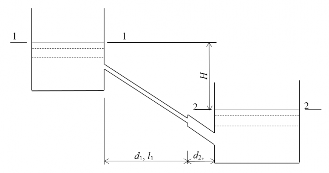
Из открытого резервуара, в котором поддерживается постоянный уровень жидкости, по трубопроводу, имеющему два участка, жидкость при температуре 20 0С течет в другой резервуар, расположенный ниже на высоту H. Определить расход жидкости. В расчетах прин
Описание
Из открытого резервуара, в котором поддерживается постоянный уровень жидкости, по трубопроводу, имеющему два участка, жидкость при температуре 20 0С течет в другой резервуар, расположенный ниже на высоту H. Определить расход жидкости. В расчетах принять, что местные потери напора составляют 10 % потерь по длине.
Дано: жидкость – масло трансформаторное ; v=4,8∙10-6 м2/c; Н=9 м; d1=65 мм; d2=40 мм; l1=7,1 м; l2=5,4 м; материал трубопровода – алюминий.

Характеристики решённой задачи
Программы
Просмотров
417
Размер
77,74 Kb
Список файлов
Задача .docx
