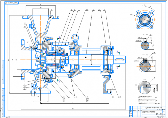
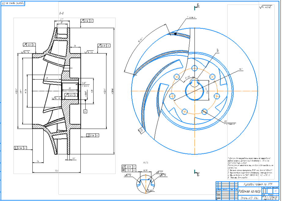
Для студентов МГТУ им. Н.Э.Баумана по предмету Лопастные гидромашиныЦентробежный консольный химический насос с двойным торцовым уплотнениемЦентробежный консольный химический насос с двойным торцовым уплотнением
4,9951115
2025-06-132025-06-13СтудИзба
Курсовая работа: Центробежный консольный химический насос с двойным торцовым уплотнением
Описание
Характеристики курсовой работы
Предмет
Учебное заведение
Семестр
Программы
Просмотров
6
Размер
5,6 Mb
Список файлов
РПЗ ЛГМ.docx
1LIST.cdw
2LIST.cdw
3LIST.cdw
4LIST1.cdw
5LIST — копия.cdw
Спецификация.spw

Спасибо за покупку! Я буду очень рад, если поставишь справедливую оценку купленному файлу