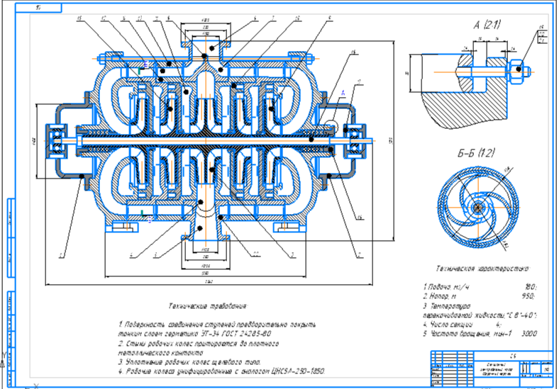
Для студентов МГТУ им. Н.Э.Баумана по предмету Лопастные гидромашиныМногосекционный центробежный насос ЦНС 180-950Многосекционный центробежный насос ЦНС 180-950
4,9951118
2023-09-142023-09-14СтудИзба
Курсовая работа: Многосекционный центробежный насос ЦНС 180-950
Описание
Характеристики курсовой работы
Предмет
Учебное заведение
Программы
Теги
Просмотров
7
Размер
1,22 Mb
Список файлов
Спецификация к 3 листу.spw
Спецификация к 3 листу.spw.bak
Чертеж 2 СБ.cdw
Чертеж 2 СБ.cdw.bak
Чертеж1 пп.cdw
Чертеж3 сб.cdw
Чертеж3 сб.cdw.bak
записка ЦНС-180-950.doc

Спасибо за покупку! Я буду очень рад, если поставишь справедливую оценку купленному файлу