Для студентов МГТУ им. Н.Э.Баумана по предмету Компьютерная графикаAutodesk Inventor. Лабораторные работы. Детали. (Базовый курс)Autodesk Inventor. Лабораторные работы. Детали. (Базовый курс)
4,90546970
2021-04-142024-09-03СтудИзба
Лабораторная работа: Autodesk Inventor. Лабораторные работы. Детали. (Базовый курс) вариант 10
-76%
Описание
Характеристики лабораторной работы
Предмет
Учебное заведение
Вариант
Просмотров
36
Размер
98,74 Kb
Список файлов
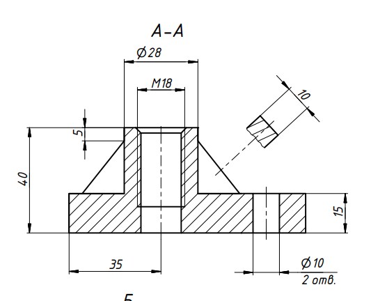
Вариант 10 - Лабораторные работы - Все детали
Вал.pdf
Основание.pdf
Пирамида.pdf
Призма.pdf
Шар.pdf

Друзья, спасибо за доверие! Если вам понравилась работа – поставьте 5⭐ и напишите отзыв. Это поможет другим студентам, а мне даст силы делать ещё больше качественных материалов для вас 🔥