Для студентов ИГЭУ им. Ленина по предмету Компьютерное моделированиеАнализ нелинейных электрических цепей в программном комплексе Matlab и электрических цепей с нестационарными значениями параметров пассивных элементовАнализ нелинейных электрических цепей в программном комплексе Matlab и электрических цепей с нестационарными значениями параметров пассивных элементов
5,00570
2025-03-062025-05-18СтудИзба
Анализ нелинейных электрических цепей в программном комплексе Matlab и электрических цепей с нестационарными значениями параметров пассивных элементов
Описание
- Цель лабораторной работы:
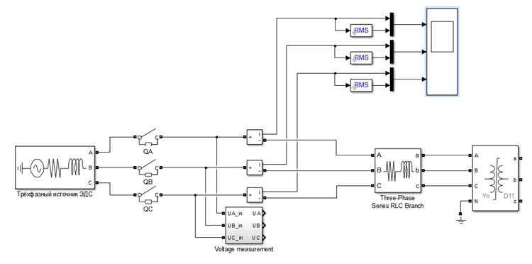
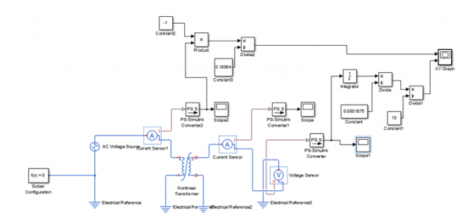
− анализ процессов при включении в сеть трёхфазного трансформатора с вольтамперной характеристикой в виде петли гистерезиса и количественный анализ гармонического состава броска намагничивающего тока;
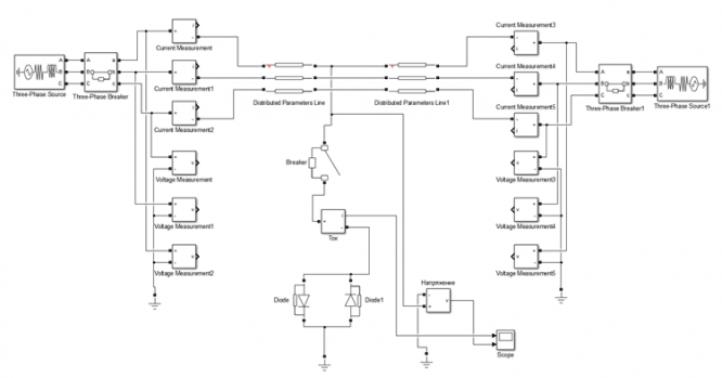
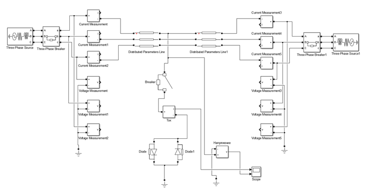
− анализ влияния электрической дуги на параметры токов и напряжений при коротких замыканиях в трёхфазных цепях переменного тока;
− расчёт электрических цепей переменного тока с изменяющимися пассивными параметрами (активным сопротивлением, индуктивностью, ёмкостью и пр.);
- Задание 1.
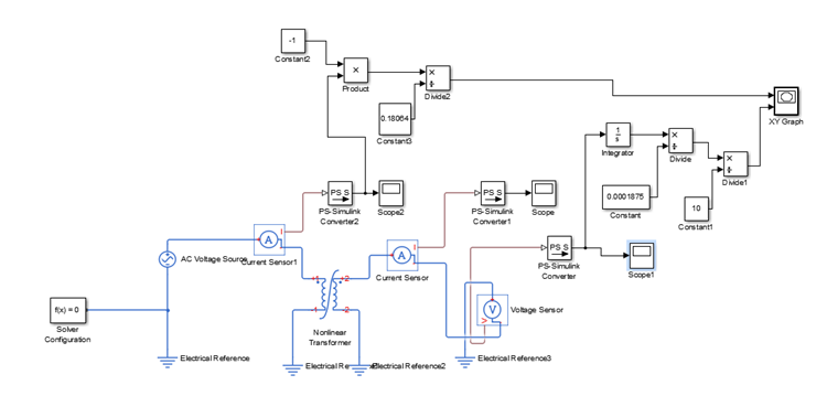
м элементом в программном комплексе Matlab.

- Задание 2.

- Задание 3.

- Задание 4.
Начальные данные.


Характеристики лабораторной работы
Предмет
Учебное заведение
Семестр
Номер задания
Вариант
Программы
Теги
Просмотров
13
Качество
Идеальное компьютерное
Размер
1,42 Mb
Преподаватели
Список файлов
МАТЛАБ3 6.docx

🎓Помощь студентам Ивановских ВУЗов🎓 ❤️ Каждая приобретенная работа служит стимулом для добавления новых материалов и упрощает учебный процесс.