Для студентов ИГЭУ им. Ленина по предмету Компьютерное моделированиеРешение дифференциальных уравнений в программном комплексе MatlabРешение дифференциальных уравнений в программном комплексе Matlab
5,00569
2025-03-072025-05-18СтудИзба
Лабораторная работа 4: Решение дифференциальных уравнений в программном комплексе Matlab вариант 6
Описание
- Задание 1.

- Задание 2.

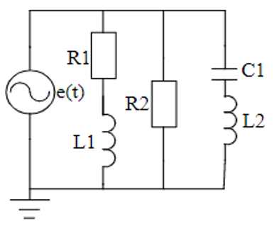
- Задание 3.
пассивными параметрами.


Характеристики лабораторной работы
Предмет
Учебное заведение
Семестр
Номер задания
Вариант
Программы
Теги
Просмотров
8
Качество
Идеальное компьютерное
Размер
1,98 Mb
Преподаватели
Список файлов
МАТЛАБ4 6.docx

🎓Помощь студентам Ивановских ВУЗов🎓 ❤️ Каждая приобретенная работа служит стимулом для добавления новых материалов и упрощает учебный процесс.