Для студентов по предмету ЭнергетикаСиловая схемаСиловая схема
4,945276
2025-12-262025-12-26СтудИзба
Курсовая работа: Силовая схема
Описание
СОДЕРЖАНИЕ
- ЗАДАНИЕ.................................................................................................... 4
-
- РАСЧЕТ ПАРАМЕТРОВ И ВЫБОР ПРЕОБРАЗОВАТЕЛЬНОГО ТРАНСФОРМАТОРА..................................................................................... 8
- РАСЧЕТ ПАРАМЕТРОВ И ВЫБОР СИЛОВЫХ ВЕНТИЛЕЙ ВЕНТИЛЬНОГО ПРЕОБРАЗОВАТЕЛЯ..................................................... 11
- РАСЧЕТ ПАРМЕТРОВ И ВЫБОР УРАВНИТЕЛЬНЫХ РЕАКТОРОВ 13
- РАСЧЕТ ПАРАМЕТРОВ И ВЫБОР СГЛАЖИВАЮЩИХ РЕАКТОРОВ 15
- РАСЧЕТ ПАРАМЕТРОВ ЭЛЕМЕНТОВ ЗАЩИТЫ ОТ КОРОТКИХ ЗАМЫКАНИЙ И ПЕРЕНАПРЯЖЕНИЙ УСТРОЙСТВ ЗАЩИТЫ.......... 17
- РАСЧЕТ ВНЕШНИХ ХАРАКТЕРИСТИКИ ВЕНТИЛЬНОГО ПРЕОБРАЗОВАТЕЛЯ И ЭЛЕКТРОМЕХАНИЧЕСКИХ ХАРАКТЕРИСТИК ПРИВОДА..................................................................................................... 24
- РАСЧЕТ РЕГУЛИРОВОЧНЫХ ХАРАКТЕРИСТИК ВЕНТИЛЬНОГО ПРЕОБРАЗОВАТЕЛЯ ПРИ ХОЛОСТОМ ХОДЕ И НОМИНАЛЬНОЙ НАГРУЗКЕ.................................................................................................... 28
- РАСЧЕТ ОГРАНИЧИТЕЛЬНОЙ ХАРАКТЕРИСТИКИ ВЕНТИЛЬНОГО
- РАСЧЕТ ОТНОСИТЕЛЬНЫХ ЗНАЧЕНИЙ ПОЛНОЙ, АКТИВНОЙ, РЕАКТИВНОЙ МОЩНОСТЕЙ, МОЩНОСТИ ИСКАЖЕНИЯ И КОЭФФИЦИЕНТА МОЩНОСТИ ПРИ НОМИНАЛЬНОЙ НАГРУЗКЕ 30
- РАСЧЕТ ЗАВИСИМОСТИ К.П.Д. ПРЕОБРАЗОВАТЕЛЯ ОТ УГЛОВОЙ СКОРОСТИ ВАЛА ДВИГАТЕЛЯ ПРИ ТОКАХ ЯКОРЯ Id = 0,5 × Idн , Id = Idн 33 12 ВРЕМЕННЫЕ ДИАГРАММЫ..................................................................... 35
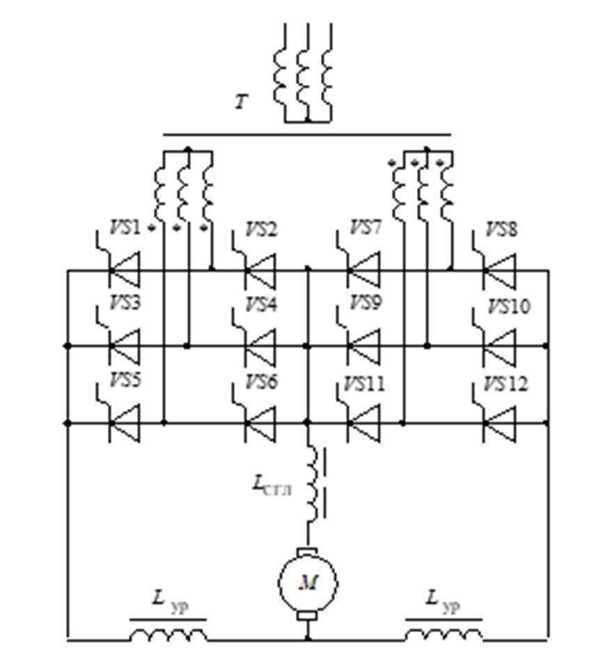
Тип силовой схемы – трехфазная мостовая перекрестная. Обмотки силового трансформатора соединены по схеме «звезда – звезда». Силовая схема с необходимыми элементами защиты приведена на рисунке 1.1. Электродвигатель постоянного тока 2ПН132:
Параметры питающей сети:
| | |||||||||
Дополнительные параметры преобразователя:
Таблица 1.1 - Расчетные коэффициенты | | |||||||||
| | ||||||||||
| | ||||||||||
kU | kI2 | kI1 | kS | kB | m kу | k1 | k2 | | ||
0,428 | 0,817 | 0,817 | 1,568 | 1,045 | 0,18 | 1,05 | 0,159 | | ||
| | ||||||||||
Рисунок 1.1 – Силовая схема питания электродвигателя
Характеристики курсовой работы
Предмет
Просмотров
2
Размер
383,08 Kb
Список файлов
Kursovaya_rabota (1).docx
Комментарии
Нет комментариев
Стань первым, кто что-нибудь напишет!
all_at_700
















