Курсовая работа: Турбина
Описание
Оглавление
II.Принцип работы теплофикационной паротурбинной установки. 4
1. Построение процесса расширения пара в проточной части турбины.. 6
2.Расчет сетевых подогревателей. 10
3.Расчёт сепаратора непрерывной продувки. 12
4.Расчет подогревателя высокого давления. 15
5.Расчет подогревателя низкого давления и деаэратора. 16
6.Расчёт мощности турбоагрегата. 19
7. Расчет мощности привода питательного насоса. 20
8. Энергетические показатели теплофикационной турбоустановки. 20
9. Тепловой и конструктивный расчеты теплообменных аппаратов. 21
V. Библиографический список. 26
Введение
Современные паровые турбины являются основным двигателем тепловых и атомных электростанций, значение которых для энергетики определяется возрастающими потребностями страны в электроэнергии. Паровые турбины позволяют осуществлять совместную выработку электрической энергии и теплоты, что повышает степень полезного использования теплоты органического и ядерного топлива [2].
Паровая турбина получила широкое распространение в качестве двигателя для кораблей военного и гражданского флота. Паровые турбины используются, кроме того, для привода различных машин — насосов и др.
Паровая турбина, обладая большой быстроходностью, отличается сравнительно малыми размерами и массой и может быть построена на очень большую мощность (миллион киловатт и более), вместе с тем паровая турбина достигает высокой экономичности и имеет высокий КПД [3].
Для организации рационального энергоснабжения страны особенно большое значение имеет теплофикация, являющаяся наиболее совершенным технологическим способом производства электрической и тепловой энергии и одним из основных путей снижения расхода топлива на выработку указанных видов энергии. В комбинированной выработке заключается основное отличие теплофикации от так называемого раздельного метода энергоснабжения, при котором электрическая энергия вырабатывается на конденсационных тепловых электростанциях (КЭС), а тепловая – в котельных.
Ориентация российской энергетики на комбинированное производство электрической энергии и теплоты на крупных ТЭС была предусмотрена еще в государственном плане электрификации России – плане ГОЭЛРО. Эта идея, полностью оправдавшая себя опытом развития советской теплофикации, широко реализуется в городах и промышленных районах нашей страны [4].
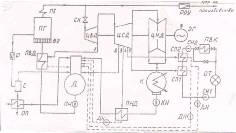
Принцип работы теплофикационной паротурбинной установки

Схема 1. Теплофикационная паротурбинная установка
Принятые на схеме обозначения агрегатов:
СП1 – нижний сетевой подогреватель
СП2 – верхний сетевой подогреватель
ОП – охладитель продувки
Д – деаэратор
ПН – питательный насос
ПВД – регенеративный подогреватель высокого давления
ПГ – парогенератор ПЕ – пароперегреватель
СК – стопорный клапан
ЦВД – цилиндр высокого давления ЦСД – цилиндр среднего давления
ЦНД – цилиндр низкого давления
ВЭ – водяной экономайзер
ПНД – регенеративный подогреватель низкого давления
ДН – дренажный насос
ЭГ – электрогенератор
С – сепаратор непрерывной продувки
Р – редуктор непрерывной продувки
К – конденсатор турбины
КН – конденсатный насос
ПВК – пиковый водогрейный котел РОУ – редукционно-охладительная установка
Обратная из теплосети (схема 1) возвращается на ТЭЦ и с помощью сетевого насоса СН1 подается в сетевой подогреватель СП1, где подогревается с помощью 5-го отбора пара. Затем вода поступает в СП2 и подогревается с помощью 4-го отбора пара из ЦСД. Сетевая вода сетевым насосом СН2 поступает в пиковый водогрейный котел ПВК и уходит потребителям.
2-ой отбор пара из ЦСД турбины поступает в деаэрационную колонку Д для того, чтобы создать кипение воды и выделить лишние газы. Из деаэратора Д питательная вода с помощью питательного насоса ПН поступает на регенеративный подогреватель высокого давления ПВД где нагревается с помощью 1-го отбора пара из ЦВД турбины, далее поступает в водяной экономайзер ВЭ, затем в парогенератор ПГ, в котором вода преобразуется во влажный пар. Отработанный пар из ПВД поступает в деаэрационную колонку Д. Из ПГ часть пара поступает в редуктор непрерывной продувки Р для поддержания постоянного давления пара. После чего пар поступает в сепаратор непрерывной продувки С, в котором влажный пар разделяется на пар и воду. Продувочная вода из сепаратора С поступает на охладитель продувки ОП, который охлаждает умягченную воду на выходе из системы ХВО, затем эта вода поступает в деаэрационную колонку Д. Пар из сепаратора С также поступает в деаэрационную колонку Д.
Вторая часть пара из ПГ поступает в пароперегреватель ПЕ, где часть пара через стопорный клапан СК попадает в турбину, а другая часть через редукционно-охладительную установку РОУ отправляется на производство.
Отработанный пар из ЦНД поступает в конденсатор К. Образовавшийся конденсат с помощью конденсационного насоса КН подается в подогреватель низкого давления ПНД, где конденсат подогревается с помощью 3-го отбора пара (температура пара и конденсата становится одинаковой). Затем с помощью дренажного насоса ДН подогретый конденсат поступает в деаэрационную колонку Д. Механическая энергия, выработанная путем вращения вала турбины под действием адиабатного расширения водяного пара, преобразуется с помощью электрогенератора ЭГ в электрический ток.
- Исходные данные
p0 = 13 МПа | t0 = 565 °С | ηоi = 0,825 ЧВД |
p1 = 2,9 МПа | tн.в. = -8 °С | ηоi = 0,86 ЧCД |
p2 = 0,6 МПа | Dп.п = 120 кг/с | ηоi = 0,815 ЧНД |
p3 = 0,49 МПа | ||
p5 = 0,1 МПа | ||
pк = 0,0046 МПа |
Dп.п - количество пара, вырабатываемого парогенератором (расход пара);
p0, t0 - давление и температура пара перед стопорным клапаном турбины;
p1, p2, p3, p5 - давления отборов пара;
ηоi - внутренние относительные КПД;
pк - давление в конденсаторе турбины;
- температура наружного воздуха.
all_at_700















