Для студентов НГТУ по предмету Электропитание устройств и систем телекоммуникаций (ЭУиСТ)Корректор коэффициента мощностиКорректор коэффициента мощности
2022-10-052022-10-05СтудИзба
Лекции: Корректор коэффициента мощности
Описание
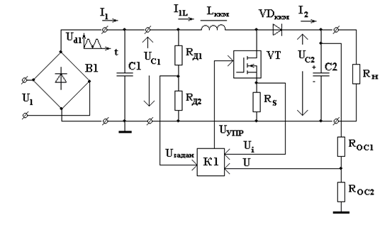
Корректор коэффициента мощности
Корректор коэффициента мощности (ККМ) или буст – конвертор предназначен для активной фильтрации тока сети. ККМ приближает фазовый сдвиг между током и напряжением источника к нулю и формирует синусоидальную форму тока, потребляемого от сети. ККМ является промежуточным звеном в схеме импульсного источника питания, включенным между выходом входного выпрямителя и входом конвертора напряжения. Он относится к повышающим импульсным стабилизаторам напряжения, т.к. напряжение на
Характеристики лекций
Тип
Учебное заведение
Семестр
Просмотров
4
Качество
Идеальное компьютерное
Размер
586,5 Kb
Список файлов

Вам все понравилось? Получите кэшбэк - 40 рублей на Ваш счёт при покупке. Поставьте оценку и напишите положительный комментарий к купленному файлу. После Вы получите деньги на ваш счет.