Для студентов НГТУ по предмету Электропитание устройств и систем телекоммуникаций (ЭУиСТ)Инверторы напряженияИнверторы напряжения
2022-10-052022-10-05СтудИзба
Лекции: Инверторы напряжения
Описание
Инверторы напряжения
Принцип инвертирования напряжения
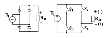
Для построения схемы инвертора напряжения воспользуемся принципом дуальности. Инвертор является устройством, противоположным выпрямителю, т.к. он преобразует напряжение постоянного тока в разнополярное напряжение прямоугольной или синусоидальной формы. Поменяем местами источник с нагрузкой в схеме выпрямителя и получим схему инвертора напряжения:
Характеристики лекций
Тип
Учебное заведение
Семестр
Просмотров
5
Качество
Идеальное компьютерное
Размер
2,35 Mb
Список файлов

Вам все понравилось? Получите кэшбэк - 40 рублей на Ваш счёт при покупке. Поставьте оценку и напишите положительный комментарий к купленному файлу. После Вы получите деньги на ваш счет.