Для студентов НГТУ по предмету Электропитание устройств и систем телекоммуникаций (ЭУиСТ)Компенсационные стабилизаторыКомпенсационные стабилизаторы
2022-10-052022-10-05СтудИзба
Лекции: Компенсационные стабилизаторы
Описание
Компенсационные стабилизаторы напряжения
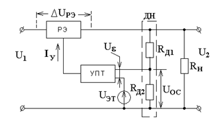
Компенсационные стабилизаторы напряжения в зависимости от места расположения регулирующего элемента (РЭ) разделяются на стабилизаторы с последовательным и параллельным включением РЭ. На рисунке представлена функциональная схема стабилизатора напряжения с последовательным РЭ.
Характеристики лекций
Тип
Учебное заведение
Семестр
Просмотров
1
Качество
Идеальное компьютерное
Размер
1,88 Mb
Список файлов

Вам все понравилось? Получите кэшбэк - 40 рублей на Ваш счёт при покупке. Поставьте оценку и напишите положительный комментарий к купленному файлу. После Вы получите деньги на ваш счет.