Для студентов НГТУ им. Р.Е. Алексеева по предмету Электромагнитные переходные процессы в электрических системахПереходные процессы в электрических системахПереходные процессы в электрических системах
5,0053916
2025-11-05СтудИзба

Курсовая работа: Переходные процессы в электрических системах вариант 10

Описание

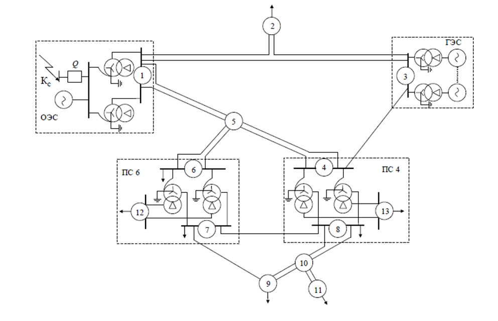
Исходными данными для курсовой работы являются схема электросетевого района и параметры ЛЭП, а также оборудование и параметры, заданные по варианту: автотрансформаторы связи, синхронные генераторы, а также время для расчета апериодической составляющей тока короткого замыкания. Схема электросетевого района приведена на рисунке 1.1. Результаты расчёта представлены в таблице 1.1.

Рисунок 1.1 – Схема электросетевого района
Параметры и марки заданных автотрансформаторов связи (ОЭС, ПС4, ПС6), генераторов ГЭС и трансформаторов на ПС9 указаны далее в таблицах 1.1 – 1.4.
На подстанциях связи (ПС4, ПС) исходя из технических и экономических соображений, устанавливаются два силовых автотрансформаторов типа АТДЦТН-125000/220/110 мощностью 125 МВА. Что касается подстанции системообразующей сети, то на ней по исходным данным установлены две группы однофазных автотрансформаторов типа АОДЦТН-167000/500/220. Паспортные данные автотрансформаторов приведены в таблице 1.1.

Таблица 1.1 – Паспортные данные автотрансформаторов связи
ПараметрыОЭСПС4, ПС6
Тип автотрансформатораАОДЦТН – 167000/500/220, У1 Y0/ Y0/Δ (в 3-х фазной группе)АТДЦТН - 125000/220/110 У1
Номинальная мощность Sном, МВА167125
Номинальная мощность обмотки НН, МВА5063
Номинальное напряжение обмоток, кВUном. ВН500230
Uном. СН230121
Uном. НН1111
Напряжение короткого замыкания обмоток, %Uк(В-Н)3545
Uк(С-Н)2228
Uк(В-С)1111
Потери холостого хода ΔPх, кВт9065
Потери короткого замыкания, кВтΔPк(В-Н)-280
ΔPк(С-Н)-275
ΔPк(В-С)315315
Ток холостого хода Iх, %0,250,4
На подстанции, расположенной в узле 9, установлены два трансформатора ТДТН-63000/110-У1 с номинальной мощностью 63 МВА, производства ООО «Тольяттинский Трансформатор»». Данные трансформаторы были выбраны исходя из трансформируемой мощности в курсовом проекте «Районная понизительная подстанция».
Произведем повторный расчет мощности трансформаторов на ПС9:

где SТР.расч – суммарная передаваемая расчетная мощность (по таблице 2.2).
Паспортные данные трансформатора приведены в таблице 1.2.
Таблица 1.2 – Паспортные данные трансформатора ПС9
ПараметрыПС9
Тип автотрансформатораТДН-63000/110-У1
Номинальная мощность Sном, МВА63
Номинальное напряжение обмоток, кВUном. ВН115
Uном. СН38,5
Uном. НН11
Напряжение короткого замыкания обмоток, %Uк(В-С)10,5
Uк(В-Н)18,0
Uк(С-Н)7,0
Потери холостого хода ΔPх, кВт53
Потери короткого замыкания, кВтΔPк(В-Н)290
Ток холостого хода Iх, %0,55
Исходя из исходных данных, на ГЭС установлены два синхронных генератора типа СВ-840/130-52. Паспортные данные генератора приведены в таблице 1.3.
Таблица 1.3 – Паспортные данные синхронного генератора ГЭС
ПараметрыГЭС
Тип синхронного генератораСВ-840/130-52
Установленная мощность (cosφ = 0,8)P, МВт40
S, МВА50
Номинальное напряжение статорной обмотки Uном, кВ10,5
Индуктивное сопротивление xd, о.е.0,89
Индуктивное переходное сопротивление xd, о.е.0,3
Индуктивное сверхпереходное сопротивление xd, о.е.0,2
Сопротивление обратной последовательности x2 0,244
Для определения параметров ЛЭП необходимо знать длины, а также удельные сопротивления (для расчетов принять r0 = 0,4 Ом/км; x0 = 0,15 Ом/км). Длины ЛЭП приведены в таблице 1.4.
Таблица 1.4 – расчетные длины ЛЭП
Наименование ЛЭП1-22-31-33-41-55-65-47-97-88-1010-1110-9
Длина ЛЭП, км7070125805525504060201530
Также стоит заметить, что для определения сопротивления энергосистемы необходимо знать номинальную отключающую способность выключателя. Допустим, что выбран выключатель ВГТ-УЭТМ-500 с номинальной отключающей способностью 40 кА.

СОДЕРЖАНИЕ
Введение……………………………………………………………………………3
1 Исходные данные……………………………..…………………………………4
2 Мощность нагрузок по узлам…………………………………………….…….6
3 Выбор трансформаторов ТЭЦ по мощности генераторов……………………7
4 Выбор трансформаторов для остальных узлов энергосистемы.……………… 8
5 Расчет сопротивлений и ЭДС для определения установившегося режима…10
6 Расчет установившегося тока и мощности короткого замыкания……………14
6.1 Расчет эквивалентного реактивного сопротивления и ЭДС………..……14
6.2 Расчет тока и мощности короткого замыкания……………….....……….27
7 Расчет сопротивлений и ЭДС для определения сверхпереходного тока короткого замыкания………………………………..……………………….…...28
8 Расчет сверхпереходного тока и мощности короткого замыкания..……….29
8.1 Расчет эквивалентного реактивного сопротивления и ЭДС………..….29
8.2 Расчет тока и мощности короткого замыкания……………….....……….42
9 Расчет ударного коэффициента и ударного тока…………………...…………44
9.1 Расчет эквивалентного активного сопротивления…………………..……44
9.2 Расчет ударного тока…………………………...……………….....……….59
10 Определения остаточного напряжения в узле………………………………60
11 Расчет значения апериодической составляющей и полного тока в заданный момент времени…………………………………………………………………...61
12 Расчет токов коротких замыканий……………………..….………………….61
12.1 Прямая последовательность…...……………………………………….…61
12.2 Обратная последовательность………………………………………….…62
12.3 Нулевая последовательность…...……………………………………….…73
12.4 Расчет токов коротких замыканий………………………………………..85
13 Результаты расчета……………………………………..……………………...88
Заключение…………………………………………………………………………89
Список литературы………………………………………………………………...90

Характеристики курсовой работы

Учебное заведение
Вариант
Просмотров
1
Качество
Идеальное компьютерное
Размер
1,58 Mb

Список файлов

nagiev_rgr_17981614.docx
Картинка-подпись
Если нужен другой вариант работы или отдельная задача из любой работы, пишите в комментарии

Комментарии

Нет комментариев
Стань первым, кто что-нибудь напишет!
Поделитесь ссылкой:
Цена: 1 500 руб.
Расширенная гарантия +3 недели гарантии, +10% цены
Рейтинг автора
5 из 5
Поделитесь ссылкой:
Сопутствующие материалы
Переходные процессы в электрических системах
Расчёт тока трёхфазного короткого замыкания в указанной точке аналитическим методом в относительных величинах
Расчёт токов трёхфазного короткого замыкания
Проверяемые задания
При трехфазном коротком замыкании в точке К1 заданной схемы вычислить величины
расчет трехфазного и несимметричных режимов (короткого замыкания и разрыва фазы) в сложной электрической системе

Подобрали для Вас услуги

-17%
Вы можете использовать курсовую работу для примера, а также можете ссылаться на неё в своей работе. Авторство принадлежит автору работы, поэтому запрещено копировать текст из этой работы для любой публикации, в том числе в свою курсовую работу в учебном заведении, без правильно оформленной ссылки. Читайте как правильно публиковать ссылки в своей работе.
Свежие статьи
Популярно сейчас
Почему делать на заказ в разы дороже, чем купить готовую учебную работу на СтудИзбе? Наши учебные работы продаются каждый год, тогда как большинство заказов выполняются с нуля. Найдите подходящий учебный материал на СтудИзбе!
Ответы на популярные вопросы
Да! Наши авторы собирают и выкладывают те работы, которые сдаются в Вашем учебном заведении ежегодно и уже проверены преподавателями.
Да! У нас любой человек может выложить любую учебную работу и зарабатывать на её продажах! Но каждый учебный материал публикуется только после тщательной проверки администрацией.
Вернём деньги! А если быть более точными, то автору даётся немного времени на исправление, а если не исправит или выйдет время, то вернём деньги в полном объёме!
Да! На равне с готовыми студенческими работами у нас продаются услуги. Цены на услуги видны сразу, то есть Вам нужно только указать параметры и сразу можно оплачивать.
Отзывы студентов
Ставлю 10/10
Все нравится, очень удобный сайт, помогает в учебе. Кроме этого, можно заработать самому, выставляя готовые учебные материалы на продажу здесь. Рейтинги и отзывы на преподавателей очень помогают сориентироваться в начале нового семестра. Спасибо за такую функцию. Ставлю максимальную оценку.
Лучшая платформа для успешной сдачи сессии
Познакомился со СтудИзбой благодаря своему другу, очень нравится интерфейс, количество доступных файлов, цена, в общем, все прекрасно. Даже сам продаю какие-то свои работы.
Студизба ван лав ❤
Очень офигенный сайт для студентов. Много полезных учебных материалов. Пользуюсь студизбой с октября 2021 года. Серьёзных нареканий нет. Хотелось бы, что бы ввели подписочную модель и сделали материалы дешевле 300 рублей в рамках подписки бесплатными.
Отличный сайт
Лично меня всё устраивает - и покупка, и продажа; и цены, и возможность предпросмотра куска файла, и обилие бесплатных файлов (в подборках по авторам, читай, ВУЗам и факультетам). Есть определённые баги, но всё решаемо, да и администраторы реагируют в течение суток.
Маленький отзыв о большом помощнике!
Студизба спасает в те моменты, когда сроки горят, а работ накопилось достаточно. Довольно удобный сайт с простой навигацией и огромным количеством материалов.
Студ. Изба как крупнейший сборник работ для студентов
Тут дофига бывает всего полезного. Печально, что бывают предметы по которым даже одного бесплатного решения нет, но это скорее вопрос к студентам. В остальном всё здорово.
Спасательный островок
Если уже не успеваешь разобраться или застрял на каком-то задание поможет тебе быстро и недорого решить твою проблему.
Всё и так отлично
Всё очень удобно. Особенно круто, что есть система бонусов и можно выводить остатки денег. Очень много качественных бесплатных файлов.
Отзыв о системе "Студизба"
Отличная платформа для распространения работ, востребованных студентами. Хорошо налаженная и качественная работа сайта, огромная база заданий и аудитория.
Отличный помощник
Отличный сайт с кучей полезных файлов, позволяющий найти много методичек / учебников / отзывов о вузах и преподователях.
Отлично помогает студентам в любой момент для решения трудных и незамедлительных задач
Хотелось бы больше конкретной информации о преподавателях. А так в принципе хороший сайт, всегда им пользуюсь и ни разу не было желания прекратить. Хороший сайт для помощи студентам, удобный и приятный интерфейс. Из недостатков можно выделить только отсутствия небольшого количества файлов.
Спасибо за шикарный сайт
Великолепный сайт на котором студент за не большие деньги может найти помощь с дз, проектами курсовыми, лабораторными, а также узнать отзывы на преподавателей и бесплатно скачать пособия.
Популярные преподаватели
Добавляйте материалы
и зарабатывайте!
Продажи идут автоматически
6947
Авторов
на СтудИзбе
265
Средний доход
с одного платного файла
Обучение Подробнее
{user_main_secret_data}