Для студентов по предмету Инженерная графикаКондукторКондуктор
5,0058
2026-01-272026-01-27СтудИзба
Задача 25: Кондуктор
Новинка
Описание
Кондуктор 00-000.06.25.25.00 ЧЕРТЕЖ
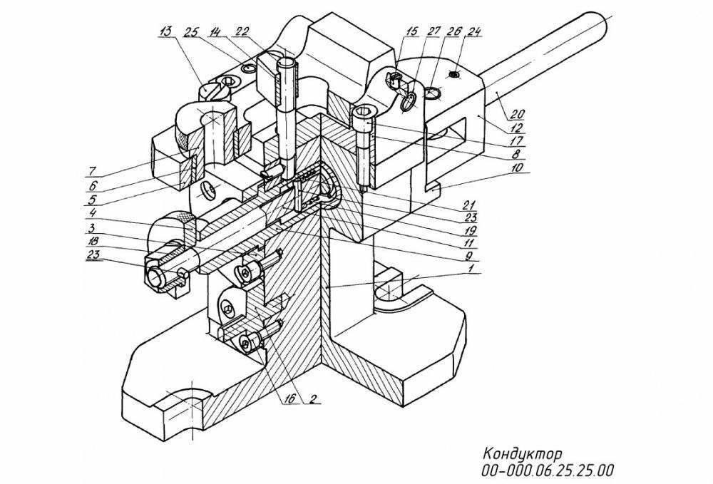
Кондуктор - это приспособление, предназначенное для установки и закрепления детали при обработке отверстий на сверлильных станках.Колодка 8, шарнирно соединенная с кондукторной плитой 5 штифтом 27, крепится к корпусу 1 винтами 17 и штифтами 25. Шпилька 22 и гайка 14 прижимают кондукторную плиту к колодке. Во втулке 6, запрессованной в плите 5, находится быстросменная втулка 7, закрепленная винтом 13 от проворота и подъема в процессе обработке детали. Эксцентрик 12 с рукояткой 20, зафиксированной штифтом 24, шарнирно соединен с болтом 11 при помощи штифта 26. Болт 11 вставляют в отверстие ф13 планки 10, надевают пружину 19, шайбу 21, забивают штифт 23 и вводят в базовый палец 9. В отверстие ф10Н7 корпуса вставлен палец 2 так, чтобы цилиндрический поясок (размер 4) расположился горизонтально. Палец 2, опора 3 и планки 10 привернуты к корпусу винтами 16. На резьбе М12 болта 11 устанавливают гайку 18 со штифтом и шайбу 4 пазом (размер 13). Два винта 15 стопорят шпильку 22 и штифт 27.
Обрабатываемую деталь отверстием ф32 надевают на палец 9 и фиксируют пальцем 2от разворота. Зажим детали осуществляют поворотом эксцентрика 12 против часовой стрелки рукояткой 20.Когда эксцентрик повернут по часовой стрелке, пружина 19 смещает всю систему зажима влево и освобождает обработанную деталь. Расположив гайку 14 вдоль паза, откидывают кондукторную плиту, снимают шайбу 4 и вытаскивают готовую деталь через гайку 18.
Кондуктор 00-000.06.25.25.00 сборочный чертеж
Кондуктор 00-000.06.25.25.00 спецификация
Кондуктор 00-000.06.25.25.00 3д модель
Кондуктор 00-000.06.25.25.00 чертежи
Корпус 00-000.06.25.25.01
Палец 00-000.06.25.25.02
Опора 00-000.06.25.25.03
Шайба 00-000.06.25.25.04
Плита 00-000.06.25.25.05
Втулка 00-000.06.25.25.06
Втулка 00-000.06.25.25.07
Колодка 00-000.06.25.25.08
Палец 00-000.06.25.25.09
Планка 00-000.06.25.25.10
Болт 00-000.06.25.25.11
Эксцентрик 00-000.06.25.25.12
Винт 00-000.06.25.25.13
Все чертежи и 3d модели (все на скриншотах показано и присутствует в архиве) выполнены в КОМПАС 3D.Также открывать и просматривать, печатать чертежи и 3D-модели, выполненные в КОМПАСЕ можно просмоторщиком КОМПАС-3D Viewer.
Кондуктор - это приспособление, предназначенное для установки и закрепления детали при обработке отверстий на сверлильных станках.Колодка 8, шарнирно соединенная с кондукторной плитой 5 штифтом 27, крепится к корпусу 1 винтами 17 и штифтами 25. Шпилька 22 и гайка 14 прижимают кондукторную плиту к колодке. Во втулке 6, запрессованной в плите 5, находится быстросменная втулка 7, закрепленная винтом 13 от проворота и подъема в процессе обработке детали. Эксцентрик 12 с рукояткой 20, зафиксированной штифтом 24, шарнирно соединен с болтом 11 при помощи штифта 26. Болт 11 вставляют в отверстие ф13 планки 10, надевают пружину 19, шайбу 21, забивают штифт 23 и вводят в базовый палец 9. В отверстие ф10Н7 корпуса вставлен палец 2 так, чтобы цилиндрический поясок (размер 4) расположился горизонтально. Палец 2, опора 3 и планки 10 привернуты к корпусу винтами 16. На резьбе М12 болта 11 устанавливают гайку 18 со штифтом и шайбу 4 пазом (размер 13). Два винта 15 стопорят шпильку 22 и штифт 27. Обрабатываемую деталь отверстием ф32 надевают на палец 9 и фиксируют пальцем 2от разворота. Зажим детали осуществляют поворотом эксцентрика 12 против часовой стрелки рукояткой 20.Когда эксцентрик повернут по часовой стрелке, пружина 19 смещает всю систему зажима влево и освобождает обработанную деталь. Расположив гайку 14 вдоль паза, откидывают кондукторную плиту, снимают шайбу 4 и вытаскивают готовую деталь через гайку 18.
Кондуктор 00-000.06.25.25.00 сборочный чертеж
Кондуктор 00-000.06.25.25.00 спецификация
Кондуктор 00-000.06.25.25.00 3д модель
Кондуктор 00-000.06.25.25.00 чертежи
Корпус 00-000.06.25.25.01
Палец 00-000.06.25.25.02
Опора 00-000.06.25.25.03
Шайба 00-000.06.25.25.04
Плита 00-000.06.25.25.05
Втулка 00-000.06.25.25.06
Втулка 00-000.06.25.25.07
Колодка 00-000.06.25.25.08
Палец 00-000.06.25.25.09
Планка 00-000.06.25.25.10
Болт 00-000.06.25.25.11
Эксцентрик 00-000.06.25.25.12
Винт 00-000.06.25.25.13
Все чертежи и 3d модели (все на скриншотах показано и присутствует в архиве) выполнены в КОМПАС 3D.Также открывать и просматривать, печатать чертежи и 3D-модели, выполненные в КОМПАСЕ можно просмоторщиком КОМПАС-3D Viewer.Файлы условия, демо
Характеристики решённой задачи
Предмет
Семестр
Номер задания
Программы
Теги
Просмотров
0
Качество
Идеальное компьютерное
Размер
1,23 Mb
Список файлов
00-000.06.25.25
00-000.06.25.25.00 СБ_Кондуктор.a3d
00-000.06.25.25.00 СБ_Кондуктор.cdw
00-000.06.25.25.00 СП_Кондуктор.cdw
00-000.06.25.25.01 Корпус.cdw
00-000.06.25.25.01_Корпус.m3d
00-000.06.25.25.02 Палец.cdw
00-000.06.25.25.02_Палец.m3d
00-000.06.25.25.03 Опора.cdw
00-000.06.25.25.03_Опора.m3d
00-000.06.25.25.04 Шайба.cdw
00-000.06.25.25.04_Шайба.m3d
00-000.06.25.25.05 Плита.cdw
00-000.06.25.25.05_Плита.m3d
00-000.06.25.25.06_Втулка.m3d
00-000.06.25.25.07 Втулка.cdw
00-000.06.25.25.07_Втулка.m3d
00-000.06.25.25.08 Колодка.cdw
00-000.06.25.25.08_Колодка.m3d
00-000.06.25.25.09 Палец.cdw
00-000.06.25.25.09_Палец.m3d
00-000.06.25.25.10 Планка.cdw
00-000.06.25.25.10_Планка.m3d
00-000.06.25.25.11 Болт.cdw
00-000.06.25.25.11_Болт.m3d
00-000.06.25.25.12 Эксцентрик.cdw
00-000.06.25.25.12_Эксцентрик.m3d
00-000.06.25.25.13 Винт.cdw
00-000.06.25.25.13_Винт.m3d
00-000.25.25.06 Втулка.cdw
Поз.19_Пружина.m3d
Комментарии
Нет комментариев
Стань первым, кто что-нибудь напишет!
coolns























