Для студентов по предмету Инженерная графикаПриспособление делительноеПриспособление делительное
5,0058
2026-01-272026-01-27СтудИзба
Задача 24: Приспособление делительное
Новинка
Описание
Приспособление делительное 00-000.06.24.24.00 ЧЕРТЕЖ
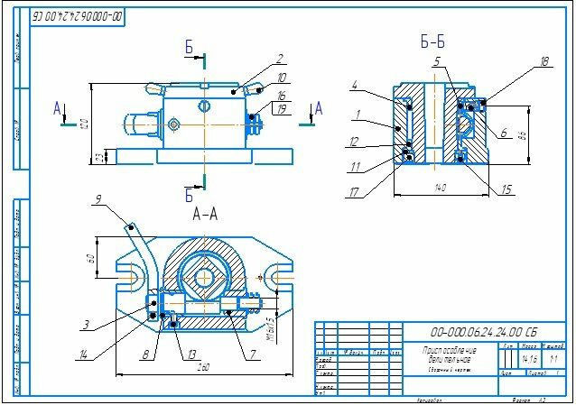
Приспособление делительное предназначено для установки детали при механической обработке, связанной с поворотом на 90 град.В корпус 1 запрессовывают втулки 4 и 12, в которые вставляется диск 2, закрепляемый снизу гайкой 17 с шайбой 11 и стопорным винтом 15. К диску 2 штифтами 20 крепятся рукоятки 10. Отверстие М16х1,5 корпуса 1 ставят фиксатор 5, пружину 6 и пробку 18.
В боковые отверстия корпуса 1 запрессовывают втулки 7,8 в которые вставляется эксцентрик 3, закрепляемый гайками 16 с шайбой 19. На эксцентрик 3 надевают рукоятку 9 и закрепляют винтом 14. Винт 13 вворачивается в корпус 1 так, чтобы его цилиндрический выступ входил в канавку эксцентрика 3.
Обрабатываемая деталь устанавливается по шпоночному пазу диска 2 и крепится четырмя винтами М10 (на чертеже их нет).
Поворотом рукоятки 9 вверх диск освобождается и его можно вращать с помощью рукояток 10. Угол поворота, кратный 90 град, обеспечивается фиксатором 5 при его входе в лунку отверстия на диске. Окончательное стопорение диска осуществляется поворотом рукоятки 9 в исходное положение.
Приспособление делительное 00-000.06.24.24.00 сб
Приспособление делительное 00-000.06.24.24.00 спецификация
Приспособление делительное 00-000.06.24.24.00 3д модель
Приспособление делительное 00-000.06.24.24.00 чертежи
Корпус 00-000.06.24.24.01
Диск 00-000.06.24.24.02
Эксцентрик 00-000.06.24.24.03
Втулка 00-000.06.24.24.04
Фиксатор 00-000.06.24.24.05
Пружина 00-000.06.24.24.06
Втулка 00-000.06.24.24.07
Втулка 00-000.06.24.24.08
Рукоятка 00-000.06.24.24.09
Рукоятка 00-000.06.24.24.10
Шайба 00-000.06.24.24.11
Втулка 00-000.06.24.24.12
Все чертежи и 3d модели (все на скриншотах показано и присутствует в архиве) выполнены в КОМПАС 3D.Также открывать и просматривать, печатать чертежи и 3D-модели, выполненные в КОМПАСЕ можно просмоторщиком КОМПАС-3D Viewer.
Приспособление делительное предназначено для установки детали при механической обработке, связанной с поворотом на 90 град.В корпус 1 запрессовывают втулки 4 и 12, в которые вставляется диск 2, закрепляемый снизу гайкой 17 с шайбой 11 и стопорным винтом 15. К диску 2 штифтами 20 крепятся рукоятки 10. Отверстие М16х1,5 корпуса 1 ставят фиксатор 5, пружину 6 и пробку 18. В боковые отверстия корпуса 1 запрессовывают втулки 7,8 в которые вставляется эксцентрик 3, закрепляемый гайками 16 с шайбой 19. На эксцентрик 3 надевают рукоятку 9 и закрепляют винтом 14. Винт 13 вворачивается в корпус 1 так, чтобы его цилиндрический выступ входил в канавку эксцентрика 3.
Обрабатываемая деталь устанавливается по шпоночному пазу диска 2 и крепится четырмя винтами М10 (на чертеже их нет).
Поворотом рукоятки 9 вверх диск освобождается и его можно вращать с помощью рукояток 10. Угол поворота, кратный 90 град, обеспечивается фиксатором 5 при его входе в лунку отверстия на диске. Окончательное стопорение диска осуществляется поворотом рукоятки 9 в исходное положение.
Приспособление делительное 00-000.06.24.24.00 сб
Приспособление делительное 00-000.06.24.24.00 спецификация
Приспособление делительное 00-000.06.24.24.00 3д модель
Приспособление делительное 00-000.06.24.24.00 чертежи
Корпус 00-000.06.24.24.01
Диск 00-000.06.24.24.02
Эксцентрик 00-000.06.24.24.03
Втулка 00-000.06.24.24.04
Фиксатор 00-000.06.24.24.05
Пружина 00-000.06.24.24.06
Втулка 00-000.06.24.24.07
Втулка 00-000.06.24.24.08
Рукоятка 00-000.06.24.24.09
Рукоятка 00-000.06.24.24.10
Шайба 00-000.06.24.24.11
Втулка 00-000.06.24.24.12
Все чертежи и 3d модели (все на скриншотах показано и присутствует в архиве) выполнены в КОМПАС 3D.Также открывать и просматривать, печатать чертежи и 3D-модели, выполненные в КОМПАСЕ можно просмоторщиком КОМПАС-3D Viewer.Файлы условия, демо
Характеристики решённой задачи
Предмет
Семестр
Номер задания
Программы
Теги
Просмотров
0
Качество
Идеальное компьютерное
Размер
1,19 Mb
Список файлов
00-000.06.24.24
00-000.06.24.24.00 СБ_Приспособление делительное.a3d
00-000.06.24.24.00 СБ_Приспособление делительное.cdw
00-000.06.24.24.00 СП_Приспособление делительное.cdw
00-000.06.24.24.01 Корпус.cdw
00-000.06.24.24.01_Корпус.m3d
00-000.06.24.24.02 Диск.cdw
00-000.06.24.24.02_Диск.m3d
00-000.06.24.24.03 Эксцентрик.cdw
00-000.06.24.24.03_Эксцентрик.m3d
00-000.06.24.24.04 Втулка.cdw
00-000.06.24.24.04_Втулка.m3d
00-000.06.24.24.05 Фиксатор.cdw
00-000.06.24.24.05_Фиксатор.m3d
00-000.06.24.24.06 Пружина.cdw
00-000.06.24.24.06_Пружина.m3d
00-000.06.24.24.07 Втулка.cdw
00-000.06.24.24.07_Втулка.m3d
00-000.06.24.24.08 Втулка.cdw
00-000.06.24.24.08_Втулка.m3d
00-000.06.24.24.09 Рукоятка.cdw
00-000.06.24.24.09_Рукоятка.m3d
00-000.06.24.24.10 Рукоятка.cdw
00-000.06.24.24.10_Рукоятка.m3d
00-000.06.24.24.11 Шайба.cdw
00-000.06.24.24.11_Шайба.m3d
00-000.06.24.24.12 Втулка.cdw
00-000.06.24.24.12_Втулка.m3d
Поз.17_Гайка 70003-0148 ГОСТ 12460-67.m3d
Поз.18_Пробка.m3d
Комментарии
Нет комментариев
Стань первым, кто что-нибудь напишет!
coolns






















