Для студентов по предмету Инженерная графикаКран разобщительныйКран разобщительный
5,0051
2026-01-222026-01-22СтудИзба
Задача 2: Кран разобщительный
Описание
Кран разобщительный 00-000.06.02.02.00 ЧЕРТЕЖ
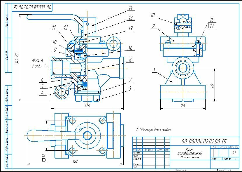
Сборка крана осуществляется в следующей последовательности. В нижнее резьбовое отверстие М36х1,5-6Н корпуса 1 крана ввинчивается пробка 3 с резиновой прокладкой 7. Она поджимает пружину 4, которая в свою очередь, поджимает клапан 6, который перекрывает отверстие ф24 в корпусе 1. Между клапаном и пружиной ставится опорное кольцо 5. Сверху в корпус вставляется шток 8, на котором нарезана резьба М16х1,5-6g. На шток устанавливается прокладка 11 между двумя шайбами 10 и зажимается гайкой 16. Прокладка служит для предотвращения утечки сжатого воздуха через отверстие под шток в крышке крана. На штоке имеются горизонтально расположенные отверстия диаметром 3 мм, соединяющиеся с осевым отверстием штока. Эти отверстия служат для соединения выходной полости крана с верхней полостью в положении крана "закрыто". Крышка 2 крепится к корпусу 1 четырьмя винтами 15 с пружинными шайбами 17. В крышке имеется винтовая поверхность, по которой движится штифт 19, соединенный с толкателем 13. Толкатель 13 соединяется с ручкой 14 при помощи штифта 18. В крышке 2 имеется отверстие диаметром 4 мм,соединяющее верхнюю полость крана с атмосферой. В положении ручки 14 вдоль оси входного и выходного отверстий - кран "открыт", при повороте ручки на 90* по часовой стрелке - кран "закрыт".Все фаски для внутренней метрической резьбы выполнены согласно ГОСТ 10549-80 и на чертежах не указаны.
Кран разобщительный 00-000.06.02.02.00 сб
Кран разобщительный 00-000.06.02.02.00 спецификация
Кран разобщительный 00-000.06.02.02.00 3d сборка
Кран разобщительный 00-000.06.02.02.00 чертежи
Корпус 00-000.06.02.02.01
Крышка 00-000.06.02.02.02
Пробка 00-000.06.02.02.03
Пружина 00-000.06.02.02.04
Прокладка 00-000.06.02.02.05
Клапан 00-000.06.02.02.06
Прокладка 00-000.06.02.02.07
Шток 00-000.06.02.02.08
Пружина 00-000.06.02.02.09
Шайба 00-000.06.02.02.10
Прокладка 00-000.06.02.02.11
Прокладка 00-000.06.02.02.12
Толкатель 00-000.06.02.02.13
Ручка 00-000.06.02.02.14
Все чертежи и 3d модели (все на скриншотах показано и присутствует в архиве) выполнены в КОМПАС 3D.
Также открывать и просматривать, печатать чертежи и 3D-модели, выполненные в КОМПАСЕ можно просмоторщиком КОМПАС-3D Viewer.
Сборка крана осуществляется в следующей последовательности. В нижнее резьбовое отверстие М36х1,5-6Н корпуса 1 крана ввинчивается пробка 3 с резиновой прокладкой 7. Она поджимает пружину 4, которая в свою очередь, поджимает клапан 6, который перекрывает отверстие ф24 в корпусе 1. Между клапаном и пружиной ставится опорное кольцо 5. Сверху в корпус вставляется шток 8, на котором нарезана резьба М16х1,5-6g. На шток устанавливается прокладка 11 между двумя шайбами 10 и зажимается гайкой 16. Прокладка служит для предотвращения утечки сжатого воздуха через отверстие под шток в крышке крана. На штоке имеются горизонтально расположенные отверстия диаметром 3 мм, соединяющиеся с осевым отверстием штока. Эти отверстия служат для соединения выходной полости крана с верхней полостью в положении крана "закрыто". Крышка 2 крепится к корпусу 1 четырьмя винтами 15 с пружинными шайбами 17. В крышке имеется винтовая поверхность, по которой движится штифт 19, соединенный с толкателем 13. Толкатель 13 соединяется с ручкой 14 при помощи штифта 18. В крышке 2 имеется отверстие диаметром 4 мм,соединяющее верхнюю полость крана с атмосферой. В положении ручки 14 вдоль оси входного и выходного отверстий - кран "открыт", при повороте ручки на 90* по часовой стрелке - кран "закрыт".Все фаски для внутренней метрической резьбы выполнены согласно ГОСТ 10549-80 и на чертежах не указаны. Кран разобщительный 00-000.06.02.02.00 сб
Кран разобщительный 00-000.06.02.02.00 спецификация
Кран разобщительный 00-000.06.02.02.00 3d сборка
Кран разобщительный 00-000.06.02.02.00 чертежи
Корпус 00-000.06.02.02.01
Крышка 00-000.06.02.02.02
Пробка 00-000.06.02.02.03
Пружина 00-000.06.02.02.04
Прокладка 00-000.06.02.02.05
Клапан 00-000.06.02.02.06
Прокладка 00-000.06.02.02.07
Шток 00-000.06.02.02.08
Пружина 00-000.06.02.02.09
Шайба 00-000.06.02.02.10
Прокладка 00-000.06.02.02.11
Прокладка 00-000.06.02.02.12
Толкатель 00-000.06.02.02.13
Ручка 00-000.06.02.02.14
Все чертежи и 3d модели (все на скриншотах показано и присутствует в архиве) выполнены в КОМПАС 3D. Также открывать и просматривать, печатать чертежи и 3D-модели, выполненные в КОМПАСЕ можно просмоторщиком КОМПАС-3D Viewer.
Файлы условия, демо
Характеристики решённой задачи
Предмет
Семестр
Номер задания
Программы
Теги
Просмотров
11
Качество
Идеальное компьютерное
Размер
1,26 Mb
Список файлов
00-000.06.02.02
00-000.06.02.02.00 Кран разобщительный.a3d
00-000.06.02.02.01 Корпус.cdw
00-000.06.02.02.01 Корпус.m3d
00-000.06.02.02.02 Крышка.cdw
00-000.06.02.02.02 Крышка.m3d
00-000.06.02.02.03 Пробка.cdw
00-000.06.02.02.03 Пробка.m3d
00-000.06.02.02.04 Пружина.cdw
00-000.06.02.02.04 Пружина.m3d
00-000.06.02.02.05 Прокладка.cdw
00-000.06.02.02.05 Прокладка.m3d
00-000.06.02.02.06 Клапан.cdw
00-000.06.02.02.06 Клапан.m3d
00-000.06.02.02.07 Прокладка.m3d
00-000.06.02.02.08 Шток.cdw
00-000.06.02.02.08 Шток.m3d
00-000.06.02.02.09 Пружина.m3d
00-000.06.02.02.10 Шайба.cdw
00-000.06.02.02.10 Шайба.m3d
00-000.06.02.02.11 Прокладка.m3d
00-000.06.02.02.12 Прокладка.m3d
00-000.06.02.02.13 Толкатель.cdw
00-000.06.02.02.13 Толкатель.m3d
00-000.06.02.02.14 Ручка.cdw
00-000.06.02.02.14 Ручка.m3d
~$ Корпус.m3~
~$ Крышка.m3~
~$-000.06.02.02.14 _ Ручка.m3~
~$ан разобщительный _ 2302.40201.02.000.sp~
Кран разобщительный 00-000.06.02.02.00 Сб.cdw
Комментарии
Нет комментариев
Стань первым, кто что-нибудь напишет!
coolns























