Для студентов МГТУ им. Н.Э.Баумана по предмету Инженерная графикаЗадача 3Задача 3
5,0051
2022-11-132024-12-05СтудИзба
Задача 3 вариант 18
-60%
Описание
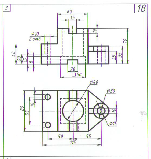
3D-модель и чертеж
Образец прикреплен в "Файлах условия, демо" ![]()
Файлы условия, демо
Характеристики решённой задачи
Предмет
Учебное заведение
Семестр
Номер задания
Вариант
Программы
Просмотров
8
Качество
Идеальное компьютерное
Размер
345,91 Kb
Список файлов
3 Деталь Чертеж.PDF
3 Деталь Чертеж.SLDDRW
3 Деталь.PDF
3 Деталь.SLDPRT

Вам все понравилось? Получите кэшбэк - 40 рублей на Ваш счёт при покупке. Поставьте оценку и напишите положительный комментарий к купленному файлу. После Вы получите деньги на ваш счет.