Для студентов МГТУ им. Н.Э.Баумана по предмету Инженерная графикаЗадача 2Задача 2
5,0052
2022-07-302022-07-30СтудИзба
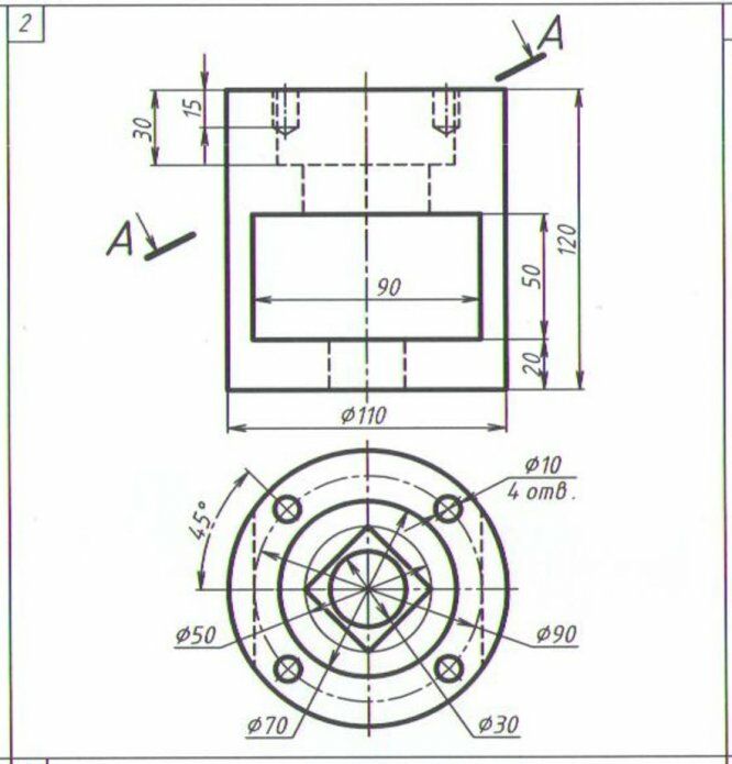
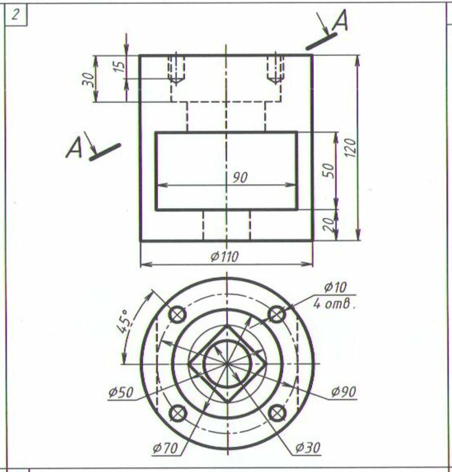
Задача 2 вариант 18
Описание
- 3D-модели детали выполнены в программе Inventor 2018 (.ipt)
- 3D-модели детали сохранены в 3D-PDF
- Чертежи детали в формате Inventor 2018 (.idw)
- Чертежи детали в формате Autocad 2007 (.dwg)
- Чертежи детали в формате PDF (Лист А3)

Файлы условия, демо
Характеристики решённой задачи
Предмет
Учебное заведение
Семестр
Номер задания
Вариант
Программы
Просмотров
26
Качество
Идеальное компьютерное
Размер
1,37 Mb
Список файлов
ЗАДАЧА 2_ ВАРИАНТ 18.dwg
ЗАДАЧА 2_ ВАРИАНТ 18.idw
ЗАДАЧА 2_ ВАРИАНТ 18.ipt
ЗАДАЧА 2_ ВАРИАНТ 18.pdf
ЗАДАЧА 2_ ВАРИАНТ 18_3D.pdf

Если работа Вам была полезна, Пожалуйста, потратьте несколько секунд, чтобы оставить нам 5 ЗВЁЗД и положительный отзывы. Мы Вам глубоко признателены!