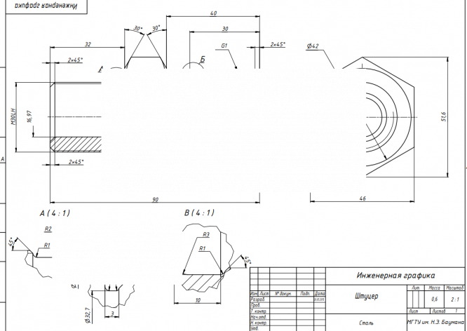
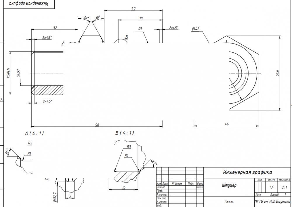
Для студентов МГТУ им. Н.Э.Баумана по предмету Инженерная графикаШтуцерШтуцер
4,90547688
2025-02-232025-02-23СтудИзба
ДЗ: Штуцер вариант 53
-66%
Описание
Характеристики домашнего задания
Предмет
Учебное заведение
Семестр
Вариант
Теги
Просмотров
131
Размер
68,33 Kb
Список файлов
Штуцер 53.pdf

Друзья, спасибо за доверие! Если вам понравилась работа – поставьте 5⭐ и напишите отзыв. Это поможет другим студентам, а мне даст силы делать ещё больше качественных материалов для вас 🔥