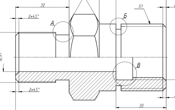
Для студентов МГТУ им. Н.Э.Баумана по предмету Инженерная графикаШтуцер 53Штуцер 53
5,00510
2016-06-072024-09-10СтудИзба
ДЗ: Штуцер 53 вариант 53
Описание
Характеристики домашнего задания
Предмет
Учебное заведение
Семестр
Вариант
Теги
Просмотров
1125
Качество
Идеальное компьютерное
Размер
764,18 Kb
Список файлов
53Штуцер.idw
53Штуцер.ipt
53Штуцер.pdf
53ШтуцерИзометрия.pdf

Вам все понравилось? Получите кэшбэк - 40 рублей на Ваш счёт при покупке. Поставьте оценку и напишите положительный комментарий к купленному файлу. После Вы получите деньги на ваш счет.