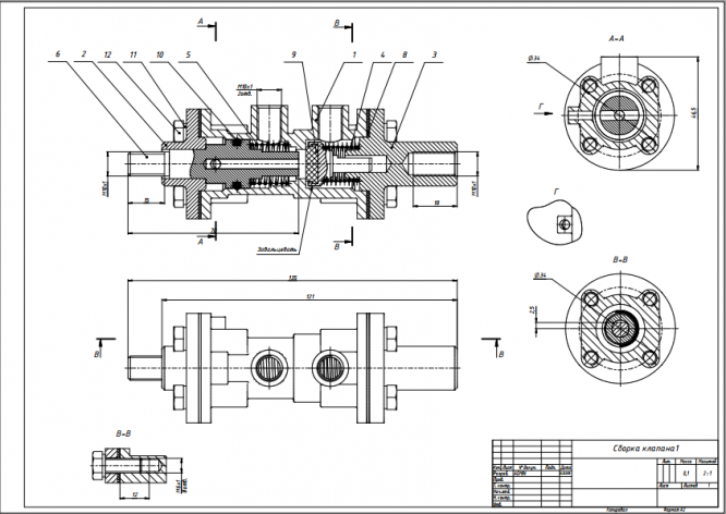
Для студентов МГТУ им. Н.Э.Баумана по предмету Инженерная графика2022г - Задание 17 - Клапан перепускной2022г - Задание 17 - Клапан перепускной
5,0051
2024-11-27СтудИзба

ДЗ 17: 2022г - Задание 17 - Клапан перепускной вариант 17

-55%

Описание

Зачтено на максимальный балл

Файл сборки в формате Inventor.

Характеристики домашнего задания

Учебное заведение
Семестр
Номер задания
Вариант
Программы
Просмотров
75
Качество
Идеальное компьютерное
Размер
30,93 Mb

Список файлов

17(1).jpg
К_U0403_U0452_U0453_U0403_U2260_U0403_U0490_U2122_U2020_17.pdf
Поз1 Корпус.pdf
Сборка.pdf
Сборка.png
Паз7 Корпус клапана.0002.ipt
Паз7 Корпус клапана.0005.idw
Паз9 Клапан.0004.dwg
Паз9 Клапан.0004.ipt
Поз1 Корпус-1.0011.dwg
Поз1 Корпус.0021.ipt
Поз2 Крышка передняя.0001.dwg
Поз2 Крышка передняя.0005.ipt
Поз2 Крышка передняя2.0001.dwg
Поз2 Крышка передняя3.0004.dwg
Поз3 Крышка задняя.0003.dwg
Поз3 Крышка задняя.0005.ipt
Поз3 Крышка задняя2.0003.dwg
Поз4 Пружина.0004.ipt
Поз5 Пружина.0003.ipt
Поз6 Шток 2.0001.dwg
Поз6 Шток.0001.dwg
Поз6 Шток.0005.ipt
Поз6 Шток3.0004.dwg
Поз8 Прокладка.0001.ipt
Поз8 Прокладка.0005.dwg
Поз10 Кольцо.0002.ipt
Поз10 Кольцо.0005.dwg
Сборка клапана1.0010.dwg
Сборка2.0001.iam
Compress Spring11.ipt
Картинка-подпись
Ваше удовлетворение является нашим приоритетом, если вы удовлетворены нами, пожалуйста, оставьте нам 5 ЗВЕЗД и позитивных комментариев. Спасибо большое!. Смотрите файлы в моем профиле, там есть много полезных !

Комментарии

Нет комментариев
Стань первым, кто что-нибудь напишет!
Поделитесь ссылкой:
Цена: 999 450 руб.
Расширенная гарантия +3 недели гарантии, +10% цены
Рейтинг покупателей
5 из 5
Поделитесь ссылкой:
Сопутствующие материалы

Подобрали для Вас услуги

-26%
-50%
-29%
3d-моделирование
7 000 4 999 руб.
Вы можете использовать домашнюю работу для примера, а также можете ссылаться на неё в своей работе. Авторство принадлежит автору работы, поэтому запрещено копировать текст из этой работы для любой публикации, в том числе в свою домашнюю работу в учебном заведении, без правильно оформленной ссылки. Читайте как правильно публиковать ссылки в своей работе.
Свежие статьи
Популярно сейчас
А знаете ли Вы, что из года в год задания практически не меняются? Математика, преподаваемая в учебных заведениях, никак не менялась минимум 30 лет. Найдите нужный учебный материал на СтудИзбе!
Ответы на популярные вопросы
Да! Наши авторы собирают и выкладывают те работы, которые сдаются в Вашем учебном заведении ежегодно и уже проверены преподавателями.
Да! У нас любой человек может выложить любую учебную работу и зарабатывать на её продажах! Но каждый учебный материал публикуется только после тщательной проверки администрацией.
Вернём деньги! А если быть более точными, то автору даётся немного времени на исправление, а если не исправит или выйдет время, то вернём деньги в полном объёме!
Да! На равне с готовыми студенческими работами у нас продаются услуги. Цены на услуги видны сразу, то есть Вам нужно только указать параметры и сразу можно оплачивать.
Отзывы студентов
Ставлю 10/10
Все нравится, очень удобный сайт, помогает в учебе. Кроме этого, можно заработать самому, выставляя готовые учебные материалы на продажу здесь. Рейтинги и отзывы на преподавателей очень помогают сориентироваться в начале нового семестра. Спасибо за такую функцию. Ставлю максимальную оценку.
Лучшая платформа для успешной сдачи сессии
Познакомился со СтудИзбой благодаря своему другу, очень нравится интерфейс, количество доступных файлов, цена, в общем, все прекрасно. Даже сам продаю какие-то свои работы.
Студизба ван лав ❤
Очень офигенный сайт для студентов. Много полезных учебных материалов. Пользуюсь студизбой с октября 2021 года. Серьёзных нареканий нет. Хотелось бы, что бы ввели подписочную модель и сделали материалы дешевле 300 рублей в рамках подписки бесплатными.
Отличный сайт
Лично меня всё устраивает - и покупка, и продажа; и цены, и возможность предпросмотра куска файла, и обилие бесплатных файлов (в подборках по авторам, читай, ВУЗам и факультетам). Есть определённые баги, но всё решаемо, да и администраторы реагируют в течение суток.
Маленький отзыв о большом помощнике!
Студизба спасает в те моменты, когда сроки горят, а работ накопилось достаточно. Довольно удобный сайт с простой навигацией и огромным количеством материалов.
Студ. Изба как крупнейший сборник работ для студентов
Тут дофига бывает всего полезного. Печально, что бывают предметы по которым даже одного бесплатного решения нет, но это скорее вопрос к студентам. В остальном всё здорово.
Спасательный островок
Если уже не успеваешь разобраться или застрял на каком-то задание поможет тебе быстро и недорого решить твою проблему.
Всё и так отлично
Всё очень удобно. Особенно круто, что есть система бонусов и можно выводить остатки денег. Очень много качественных бесплатных файлов.
Отзыв о системе "Студизба"
Отличная платформа для распространения работ, востребованных студентами. Хорошо налаженная и качественная работа сайта, огромная база заданий и аудитория.
Отличный помощник
Отличный сайт с кучей полезных файлов, позволяющий найти много методичек / учебников / отзывов о вузах и преподователях.
Отлично помогает студентам в любой момент для решения трудных и незамедлительных задач
Хотелось бы больше конкретной информации о преподавателях. А так в принципе хороший сайт, всегда им пользуюсь и ни разу не было желания прекратить. Хороший сайт для помощи студентам, удобный и приятный интерфейс. Из недостатков можно выделить только отсутствия небольшого количества файлов.
Спасибо за шикарный сайт
Великолепный сайт на котором студент за не большие деньги может найти помощь с дз, проектами курсовыми, лабораторными, а также узнать отзывы на преподавателей и бесплатно скачать пособия.
Популярные преподаватели
Добавляйте материалы
и зарабатывайте!
Продажи идут автоматически
6884
Авторов
на СтудИзбе
269
Средний доход
с одного платного файла
Обучение Подробнее
{user_main_secret_data}