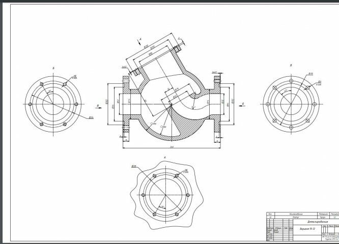
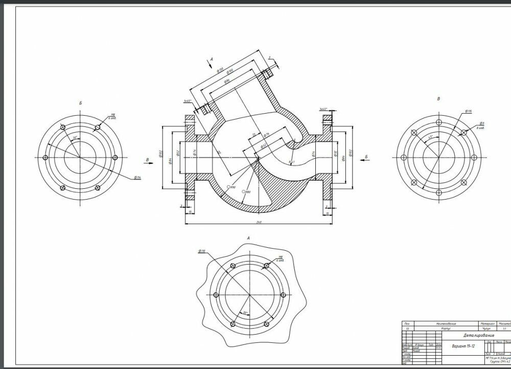
Для студентов МГТУ им. Н.Э.Баумана по предмету Инженерная графикаДеталировка №19-12Деталировка №19-12
4,90547093
2022-03-102024-10-06СтудИзба
ДЗ: Деталировка №19-12 вариант 19
-55%
Описание
Характеристики домашнего задания
Предмет
Учебное заведение
Семестр
Вариант
Просмотров
376
Размер
276,39 Kb
Список файлов
Деталировка №19-12
2.JPG
Capture.JPG
Деталирование корпус 19-12 pdf.pdf
Деталировка №19-12.pdf

Друзья, спасибо за доверие! Если вам понравилась работа – поставьте 5⭐ и напишите отзыв. Это поможет другим студентам, а мне даст силы делать ещё больше качественных материалов для вас 🔥