Для студентов МГТУ им. Н.Э.Баумана по предмету Инженерная графикаБ-229Б-229
5,0051
2021-05-212024-10-06СтудИзба
ДЗ Б: Б-229 вариант 229
-55%
Описание
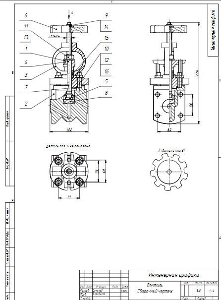
Чертеж формат А3 + Спецификация
![]()


Характеристики домашнего задания
Предмет
Учебное заведение
Семестр
Номер задания
Вариант
Просмотров
313
Размер
113 Kb
Список файлов
Б-229
Б-229.pdf
Спецификация.pdf

Друзья, спасибо за доверие! Если вам понравилась работа – поставьте 5⭐ и напишите отзыв. Это поможет другим студентам, а мне даст силы делать ещё больше качественных материалов для вас 🔥