Для студентов МГТУ им. Н.Э.Баумана по предмету Инженерная графикаКран угловойКран угловой
4,90547164
2021-05-122024-10-06СтудИзба
ДЗ Б: Кран угловой вариант 23
-55%
Описание
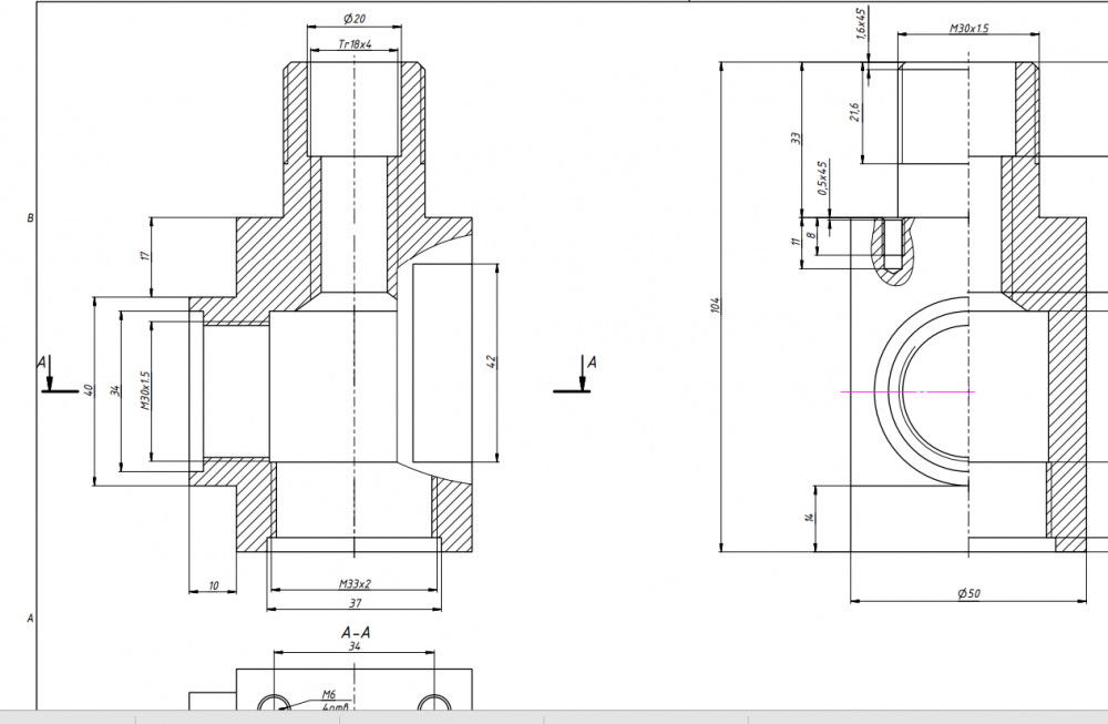
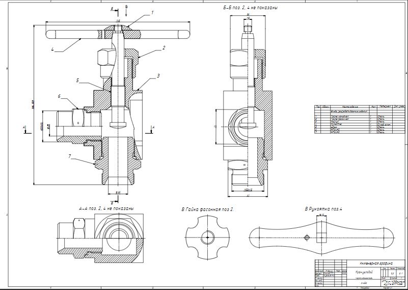
Представлены чертеж сборочной единицы "Кран угловой" и чертежи деталей, из которых она состоит.
![]()
Чертеж PDF формат А1


Характеристики домашнего задания
Предмет
Учебное заведение
Семестр
Номер задания
Вариант
Просмотров
559
Размер
680,97 Kb
Список файлов
Кран угловой
2.PNG
Capture.PNG
Гайка накидная.pdf
Гайка фасонная.pdf
Корпус.pdf
Рукоятка.pdf
Сборка.pdf
Спецификация=.pdf
Шток.pdf
Штуцер 1.pdf
Штуцер 2.pdf

Друзья, спасибо за доверие! Если вам понравилась работа – поставьте 5⭐ и напишите отзыв. Это поможет другим студентам, а мне даст силы делать ещё больше качественных материалов для вас 🔥