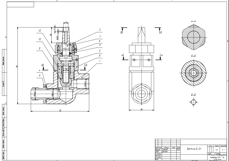
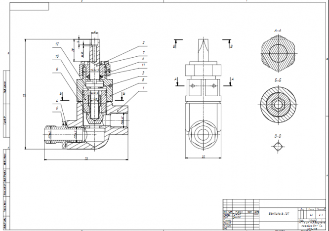
Для студентов МГТУ им. Н.Э.Баумана по предмету Инженерная графикаВентильВентиль
5,0053
2021-04-132024-10-06СтудИзба
ДЗ Б: Вентиль вариант 131
-55%
Описание
Характеристики домашнего задания
Предмет
Учебное заведение
Семестр
Номер задания
Вариант
Просмотров
473
Размер
90,94 Kb
Список файлов
Вентиль Б-131.pdf

Друзья, спасибо за доверие! Если вам понравилась работа – поставьте 5⭐ и напишите отзыв. Это поможет другим студентам, а мне даст силы делать ещё больше качественных материалов для вас 🔥