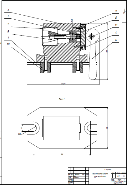
Для студентов МГТУ им. Н.Э.Баумана по предмету Инженерная графикаСборка 2 - Приспособление для фрезерованияСборка 2 - Приспособление для фрезерования
5,0054
2020-08-122020-08-12СтудИзба
ДЗ: Сборка 2 - Приспособление для фрезерования вариант 2
Описание
В архиве:
![]()
- Все необходимые 3D модели, у всех деталей выбран соответствующий материал [Inventor];
- Сборочный чертеж и модель сборки [Inventor];
- Спецификация;

Характеристики домашнего задания
Предмет
Учебное заведение
Семестр
Вариант
Просмотров
171
Размер
21,63 Mb
Список файлов
Сборка
Мастер проектирования
Пружина сжатия1.iam
Пружина сжатия11.ipt
Design Data
DWG-DXF
FaceLoops.xml
FlatPattern.xml
FlatPatternExportOpts.xml
exportdwg.ini
exportdxf.ini
importacad.ini
importdxf.ini
importmdt.ini
GOST
Technical Requirements
Assembly drawings.tr
Cold punching parts.tr
Electrical cases.tr
Forged parts.tr
Mechanical parts.tr
Mold parts.tr
Pipes.tr
Steel mold parts.tr
Surface coatings.tr
Weld assemblies.tr
ru-RU
Defaults.ini
MaterialsFavorites.xml
PartsListGroup1.xls
PartsListGroup1b.xls
PartsListTemplate.xls
WeldFavorites.ini
Технические требования
ru-RU
Сборка.dwg
Сборка.iam
Вилка.ipt
Втулка.ipt
Корпус.ipt
Параметры приложения.xml
Планка.ipt
Приспособление для фрезерования.dwg
Приспособление для фрезерования.pdf
Рукоятка.ipt
Спецификация.xls
Сухарь.ipt
Цанга.ipt
Комментарии
Нет комментариев
Стань первым, кто что-нибудь напишет!
МГТУ им. Н.Э.Баумана
catspinner















